画面・帳票サポートシステム XMAP3 開発ガイド

[目次][用語][索引][前へ][次へ]

9.4.5 フレーム

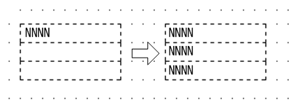
フレームで指定した領域内の先頭行または先頭列にオブジェクトを配置すると,配置したオブジェクトがフレームで指定した行数分または列数分,反復表示されます。入出力フィールドと出力フィールドを1行として反復表示することもできます。APでは,この1列および1行を集団項目として扱います。また,論理マップでは反復表示されたオブジェクトを配列として展開します。

<この項の構成>
(1) 設定できる項目
(2) 表示形式
(3) フレームに配置できるオブジェクト
(4) フレームの操作
(5) APの操作

(1) 設定できる項目

フレームの項目と設定できる値を次の表に示します。

表9-9 フレームの項目と設定できる値

項目 動的変更 設定できる値
APが渡す項目 データ名 9.5 APが受け取る項目およびAPが渡す項目」を参照
フレームの反復
(凡例)
−:動的変更できない,または,該当しない。

(2) 表示形式

フレーム自体は表示されません。ドロー上では,オブジェクトをまとめる点線の枠で表示されます。

[図データ]

(3) フレームに配置できるオブジェクト

CUI画面で設定するフレームに配置できるオブジェクトは次のとおりです。

(4) フレームの操作

フレームのハンドル(■)をドラッグしたり,行または列を選択したりして,行の高さや幅を変更できます。

(5) APの操作

フレームはAPから操作できません。フレーム内に配置されたオブジェクトは操作できます。