HICAD/DRAFT for Windows 入門編
![[目次]](FIGURE/CONTENT.GIF)
![[索引]](FIGURE/INDEX.GIF)
![[前へ]](FIGURE/FRONT.GIF)
丸めたり,削ったりした角に寸法を記入します。
- ツールバーの
(ウィンドウ拡大)ボタンをクリックします。
![[図データ]](FIGURE/TBSIZUP.GIF)
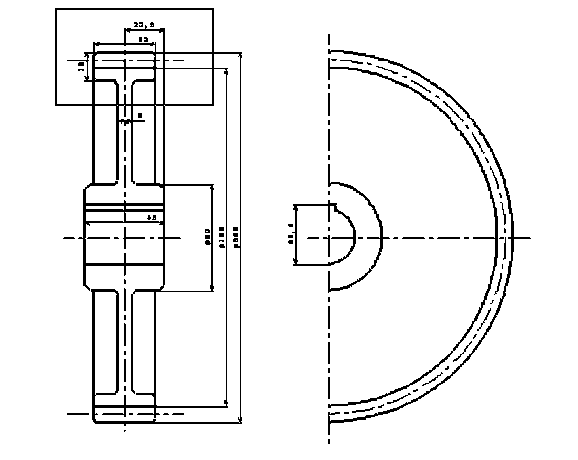
- 拡大する範囲をドラッグして決めます。
![[図データ]](FIGURE/ZU050402.GIF)
- 指示した範囲の図面が拡大して,表示されます。
![[図データ]](FIGURE/ZU050403.GIF)
(角寸法)をクリックします。
![[図データ]](FIGURE/ZU050404.GIF)
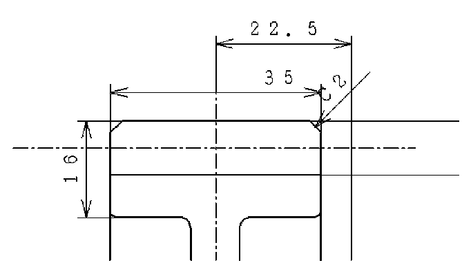
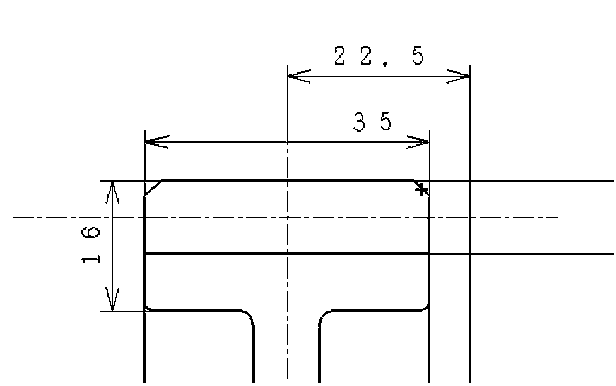
- 「角」として寸法を記入する角をマウスの+記号でクリックします。
![[図データ]](FIGURE/ZU050405.GIF)
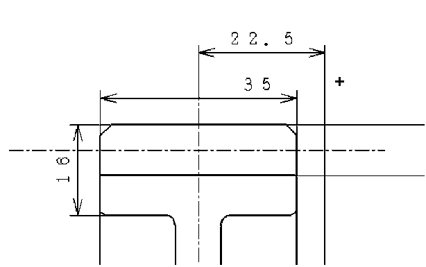
- 「位置」として寸法を記入する位置をマウスの+記号でクリックします。
![[図データ]](FIGURE/ZU050406.GIF)
- 「方向」は,指定を省略するので,〈;〉を入力します。
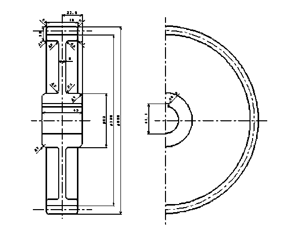
- 角寸法が記入されます。
![[図データ]](FIGURE/ZU050407.GIF)
- ツールバーの
(ウィンドウ標準)ボタンをクリックします。
![[図データ]](FIGURE/TBSIDEF.GIF)
- 標準の表示状態に戻ります。
- ほかの角にも同じ方法で寸法を記入します。
![[図データ]](FIGURE/ZU050408.GIF)
All Rights Reserved. Copyright (C) 1998, 2007, Hitachi, Ltd.