画面・帳票サポートシステム XMAP3 開発ガイド

[目次][用語][索引][前へ][次へ]

8.5.19 フレーム

フレームは,同じオブジェクトを指定した領域に繰り返して配置するときに使用します。フィールドボックス内で使用できます。

フレームで指定した領域内の先頭行または先頭列にオブジェクトを配置すると,配置したオブジェクトがフレームで指定した行数分または列数分,反復表示されます。入出力フィールドと出力フィールドを1行として反復表示することもできます。APでは,この1列および1行を集団項目として扱います。また,論理マップでは反復表示されたオブジェクトを配列として展開します。

<この項の構成>
(1) 設定できる項目
(2) 表示形式
(3) フレームに配置できるオブジェクト
(4) フレームの操作
(5) APの操作

(1) 設定できる項目

フレームの項目と設定できる値を次の表に示します。

表8-40 フレームの項目と設定できる値

項目 動的変更 設定できる値
APが渡す項目 データ名 8.6 APが受け取る項目およびAPが渡す項目」を参照
フレームの反復
(凡例)
−:動的変更できない。

(2) 表示形式

フレーム自体は表示されません。ドロー上では,オブジェクトをまとめる点線の枠で表示されます。

[図データ]

(3) フレームに配置できるオブジェクト

GUIのフィールドボックスで設定するフレームに配置できるオブジェクトは次のとおりです。なお,フレームの1枠に範囲指定で選択した複数オブジェクトを移動・複写することはできません。コピーしてから貼り付けてください。

(4) フレームの操作

フレームのハンドル(■)をドラッグしたり,行または列を選択したりして,行の高さや幅を変更できます。

フレーム全体を選択し,表示されるハンドル(■)をドラッグします。

[図データ]

フレームの先頭または最終以外の行(または列)をクリックし,行(または列)に表示されるハンドル(■)をドラッグします。フレーム内のすべての行の高さ(または列の幅)が変更されます。なお,拡大する場合は,あらかじめフレームの変更する方向の領域を空けておく必要があります。

[図データ]

フレームの先頭または最終以外の行(または列)をクリックし,選択した行(または列)をドラッグします。フレームの行(または列)が1行(または1列)おきに繰り返されます。

[図データ]

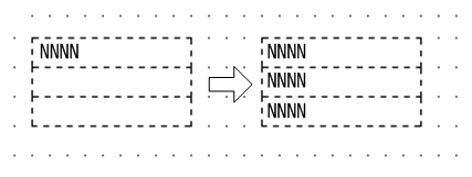
1行目(または1列目)にオブジェクトを配置します。配置すると行(または列)方向にオブジェクトが繰り返されます。

[図データ]

1行目(または1列目)のオブジェクトを選択します。行(または列)のオブジェクトが選択状態になったら[削除]を選択します。

[図データ]

塗りつぶしとオブジェクトのフィールドが重なっている場合に,塗りつぶしを選択したいとき,[Shift]キーを押したままクリックすると,塗りつぶしが選択できます。

[図データ]

(5) APの操作

フレームは,APインタフェースは持ちません。フレーム内に配置された各オブジェクトのAPインタフェースは有効です。