3.3.5 ユーザが値を設定する項目
- 〈この項の構成〉
(1) in_lot,w_lot
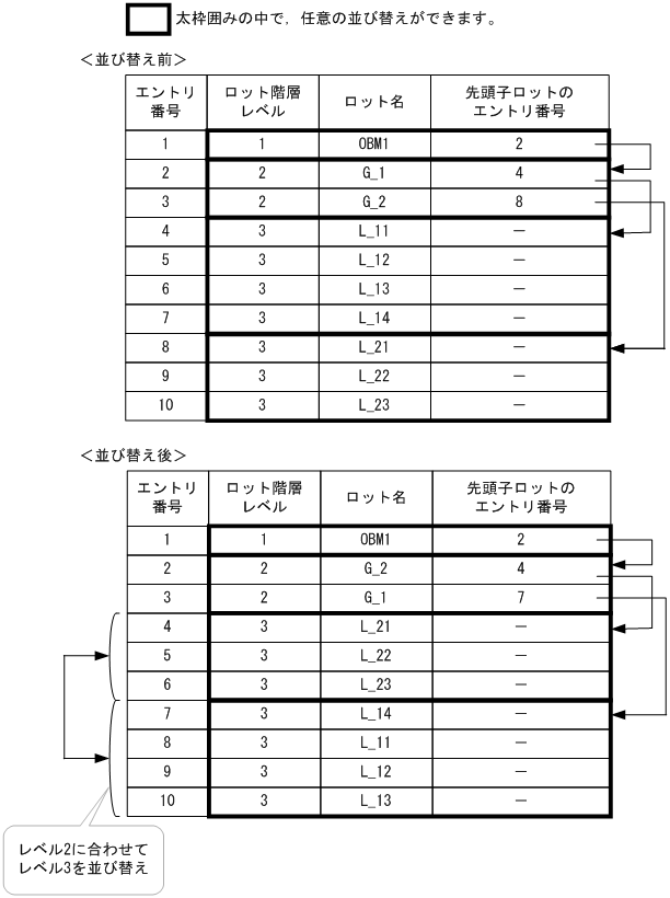
(a) ロットの並べ替え
同一レベルのロットは,順番を並べ替えることができます。並べ替えは,OBM開始時だけ行えます。OBM再開始時には行えません。並べ替える場合は,次の規則を守ってください。
-
同じロットの下位ロットは,連続したエントリ番号の領域に並びます。
-
TP1/EEが使用する領域を含む構造体全体を並べ替えます。ただし,上位ロットと下位ロットの親子関係を変えてはいけません。
例えば,3階層のロットで,階層レベル2のロットを並べ替えた場合,階層レベル3のロットも次の図のように並べ替えてください。
|
|
- 並べ替えのコーディング例
-
in_lotのエントリ番号2とエントリ番号3のロットを並べ替えてw_lotに設定する場合。
memcpy(w_lot[2-1],in_lot[3-1],sizeof(struct eeobm_start_lot)); w_lot[2-1].child_lot_top = 4; memcpy(w_lot[3-1],in_lot[2-1],sizeof(struct eeobm_start_lot)); w_lot[3-1].child_lot_top = 7;
(b) 値を設定する項目
次の項目は値を設定できます。TP1/EEで設定された値をそのまま使用する場合は,値を設定する必要はありません。
-
child_lot_top
1階層下位のロットの中で,先頭のロットのエントリ番号を設定します。ロットの並べ替えによって下位ロットのエントリ番号が変わった場合に設定してください。
OBM開始時だけ設定できます。OBM再開始時には設定できません。
-
lotid
ユーザが任意に設定するロットIDです。初期値は0です。OBM再開始時も,前回の開始UOCで設定した値は引き継がないで初期値は0となります。ここで設定したロットIDは,ノーマルトランザクションのトランザクションインタフェースに引き継ぎます。ユーザがロットごとに割り当てたリソースとの関連づけなどに使用できます。
OBM開始時に設定できます。
(2) out
-
exit_code
開始UOCをエラーリターンする場合にOBM開始コマンドのexitコードを設定します。設定できる範囲は,31〜40です。開始UOCをエラーリターンする場合は,必ず設定してください。
設定しないでエラーリターンまたは31〜40以外の値を設定してエラーリターンすると,開始コマンドのexitコードは30となります。
開始UOCを正常リターンする場合は,exit_codeを設定する必要はありません。
設定しても開始コマンドのexitコードは変わりません。
-
start_lot
OBM実行に使用するロット情報を設定します。初期値はEEOBM_LOTUSE_INです。
EEOBM_LOTUSE_IN:in_lotを使用します。
EEOBM_LOTUSE_W:w_lotを使用します。