Hitachi

JP1 Version 12 JP1/Automatic Operation Service Template Reference


2.2.1 Usage example of Add monitoring setting service template

This section describes an assumed system configuration and examples of properties to be specified when using the Add monitoring setting service template.

By using this service template, you can add monitoring targets and make monitoring settings in JP1/Cm2/NNM and JP1/PFM.

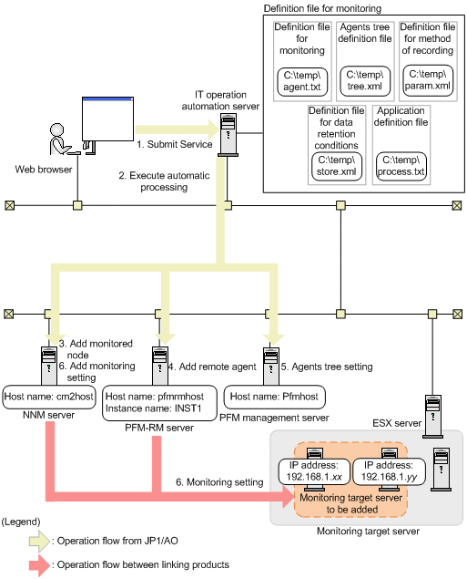
Assumed system configuration

This service template assumes the following system configuration:

Web browser

A terminal used to operate JP1/AO. The user uses this terminal to set property values in the service template.

IT operation automation server

A server with JP1/AO and JP1/Base installed. On the local disk (C:\temp) of the IT operation automation server, prepare the following monitoring definition files in advance:

  • Definition file for monitoring (agent.conf)

  • Agent hierarchy definition file (tree.xml)

  • Application definition file (process.xml)

  • Definition file for method of recording (parameter.xml)

  • Definition file for data retention conditions (store.xml)

NNM server

A server with JP1/Cm2/NNM or JP1/Cm2/NNMi installed.

PFM-RM server

A server with JP1/PFM-RM and JP1/PFM - Base installed.

PFM management server

A server with JP1/PFM - Manager and JP1/PFM - Web Console installed.

ESX server

A server with VMware vSphere ESXi (or VMware ESX Server) installed. This server controls the monitoring target server.

Monitoring target server

A server set as a monitoring target of the NNM server or the PFM-RM server.

Figure 2‒1: System configuration assumed for the Add monitoring setting service template

[Figure]

Processing flow

  1. A user enters property values in the Web browser and submits the service for execution.

  2. The IT operation automation server executes automatic processing on the PFM management server, the PFM-RM server, and the NNM server.

  3. A monitored node is added to the NNM server.

  4. A remote agent is added to the PFM-RM server.

  5. An agents tree is added to the PFM management server.

  6. The following monitoring settings are added to the added remote agent:

    • Method of recording performance data

    • Retention conditions of performance data

    • Process monitoring settings

    • Alarm table settings

Example of specifying property values

To use the Add monitoring setting service template, a user must specify the appropriate property values for the user environment. Specify the property values in the Service Definition window and the Submit Service window.

Table 2‒1: Example of property values specified in the Service Definition window (Add monitoring setting)

Property group

Property name

Property key

Description

Specification example

Monitored system environment information

NNMi server host name

jp1cm2nnm.nnmHostName

Specify the host name of the server where JP1/Cm2/NNMi is installed. Specify the physical host name of primary server or the logical host name of JP1/Cm2/NNMi.

cm2host

PFM management server host name

jp1pfm.pfmHostName

Specifies the host name of the server where JP1/PFM - Manager and JP1/PFM - Web Console are installed. In the case of a cluster configuration, specify the physical host or logical host of the active server.

pfmhost

Host name of PFM-RM server

jp1pfm.pfmRMHostName

Specifies the host name of the server where JP1/PFM - RM for Platform is installed. In the case of a cluster configuration, specify the physical host or logical host of the active server.

pfmrmhost

Monitoring information

Instance name of JP1/PFM - RM

jp1pfm.instance

Specify the name of the instance of JP1/PFM - RM for Platform associated with the remote agent of the monitor server.

INST1

Monitoring target definition file (local)

jp1pfm.agentDefFileLocal

Specify the full path of the monitoring target definition file to be transferred from the JP1/AO server.

C:\temp\agent.txt

Monitoring target definition file (remote)

jp1pfm.agentDefFileRemote

Specify the full destination path for the monitoring target definition files to be transferred to the PFM-RM server.

D:\temp\agent.txt

Option monitoring information

Agent tree definition file (local)

jp1pfm.agentLevelDefFileNameLocal

Specify the full path of the agent tree definition file to be transferred from the JP1/AO server. If you omit this property, the service will not transfer a file or apply its contents.

C:\temp\tree.xml

Agent tree definition file (remote)

jp1pfm.agentLevelDefFileNameRemote

Specify the full destination path for agent tree definition files to be transferred to the PFM management server.

D:\temp\tree.xml

Recording method definition file (local)

jp1pfm.paramDefFileLocal

Specify the full path of the recording method definition file to be transferred from the JP1/AO server. If you omit this property, the service will not transfer the file or apply its contents.

C:\temp\param.xml

Recording method definition file (remote)

jp1pfm.paramDefFileRemote

Specify the full destination path for the recording method definition files to be transferred to the PFM management server.

D:\temp\param.xml

Storage conditions definition file (local)

jp1pfm.saveConditionDefFileNameLocal

Specify the full path of the storage conditions definition file to be transferred from the JP1/AO server. If you omit this property, the service will not transfer the file or apply its contents.

C:\temp\store.xml

Storage conditions definition file (remote)

jp1pfm.saveConditionDefFileNameRemote

Specify the full destination path for storage conditions definition files to be transferred to the PFM management server.

D:\temp\store.xml

Application definition file (local)

jp1pfm.procMonDefFileLocal

Specify the full path of the application definition file to be transferred from the JP1/AO server. If you omit this property, the service will not transfer the file or apply its contents.

C:\temp\process.txt

Application definition file (remote)

jp1pfm.procMonDefFileRemote

Specify the full destination path for application definition files transferred to the PFM management server.

D:\temp\process.txt

Table 2‒2: Example of property values specified in the Submit Service window (Add monitoring setting)

Property group

Property name

Property key

Description

Specification example

Monitoring information

IP address of monitor server

common.foreachIPaddress

Specify the IP address of the monitored server. Separate multiple addresses with commas. You cannot specify an IPv6 address.

192.168.1. xx ,192.168.1. yy