HICAD/DRAFT for Windows 入門編
![[目次]](FIGURE/CONTENT.GIF)
![[索引]](FIGURE/INDEX.GIF)
![[前へ]](FIGURE/FRONT.GIF)
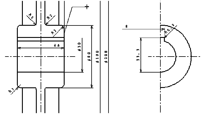
注記を寸法の形式で記入します。
(注記)をクリックします。
![[図データ]](FIGURE/ZU050601.GIF)
- 「要素」として寸法を記入する位置をマウスの+記号でクリックします。
![[図データ]](FIGURE/ZU050602.GIF)
- 「引出線」として一つ目の引出線の折点の位置をマウスの+記号でクリックします。
![[図データ]](FIGURE/ZU050603.GIF)
- 続けて二つ目の引出線の折点の位置をマウスの+記号でクリックして,〈;〉を入力します。
![[図データ]](FIGURE/ZU050604.GIF)
- 文字入力ダイアログが表示されます。
![[図データ]](FIGURE/ZU050305.GIF)
- 「文字列」に全角文字で次のように入力して,〈Enter〉を入力します。
基準
全角文字は,日本語入力にすることで操作できます。
![[図データ]](FIGURE/ZU050605.GIF)
- 注記寸法が記入されます。
![[図データ]](FIGURE/ZU050606.GIF)
All Rights Reserved. Copyright (C) 1998, 2007, Hitachi, Ltd.