JP1/Performance Management - Agent Option for Service Response
機能
SMTP(PI_SMTP)レコードには,SMTPサービスに関する応答時間の情報が格納されます。このレコードは複数インスタンスレコードです。
デフォルト値および変更できる値
項目 デフォルト値 変更可否 Collection Interval 360 ○ Collection Offset 0 ○ Log No ○ LOGIF 空白 ○
ODBCキーフィールド
PI_SMTP_MSR_COND_ID
ライフタイム
なし
レコードサイズ
- 固定部:681バイト
- 可変部:320バイト
フィールド
View名
(Manager名)説明 要約ルール 形式 デルタ データソース Data Transfer Time
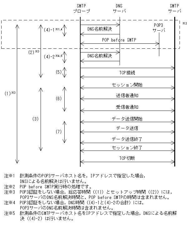
(DATA_TRANS_TIME)データ転送時間(秒)。図9-8の(7)。 AVG double No Probe Daemon DNS Time
(DNS_TIME)DNS時間(秒)。図9-8の(4)。 AVG double No Probe Daemon Preprocessing Time
(PRE_PROCESS_TIME)前処理時間(秒)。図9-8の(6)。 AVG double No Probe Daemon Setup Time
(SETUP_TIME)セットアップ時間(秒)。図9-8の(2)。 AVG double No Probe Daemon SMTP Time
(SMTP_TIME)SMTP時間(秒)。図9-8の(3)。 AVG double No Probe Daemon TCP Connection Time
(TCP_CON_TIME)TCP接続時間(秒)。図9-8の(5)。 AVG double No Probe Daemon Throughput
(THROUGHPUT)スループット(ビット/秒)。送信したメールサイズおよびデータ転送時間によって決まる。 AVG double No Probe Daemon Total Amount of Data
(TOTAL_DATA_SIZE)SMTPプローブと計測対象サーバがTCPコネクション上でやり取りした総データ量(バイト)。 AVG double No Probe Daemon Total Response Time
(TOTAL_RESP_TIME)総応答時間(秒)。図9-8の(1)。 AVG double No Probe Daemon SMTPシーケンスを次の図に示します。
図9-8 SMTPシーケンス
SMTPの動作環境および注意事項
SMTPプローブは,指定されたメッセージサイズの本文を生成し,宛先アドレスに対してメッセージ送信が完了するまでに掛かった時間を計測します。
SMTPの動作環境および注意事項について,次に説明します。
Subject
計測用メールヘッダーのSubjectは,"Test mail from PFM - Agent for Service Response."とします。
本文
計測用メールの本文は,文字「o」で構成される文字列になります。
添付ファイル
SMTPプローブは,ヘッダーと本文だけを送信し,計測用メールには添付ファイルを付けません。
送信した計測用メールの扱い
SMTPプローブは計測用メールを計測対象サーバに対して送信したあと,プローブ自身がメール削除をすることはありません。したがって,長期的な計測をする場合は送信された計測用メールが膨大に蓄積されるため,送信先のメールサーバのディスクが圧迫されることがあります。これを避けるため,次のどちらかの方法で送信先のメールサーバから定期的にメールを削除する必要があります。
- 計測条件の登録によるメール削除
メール削除指定を有効にしたPOP3またはIMAP4の計測条件を登録し,それらの計測によってメールを削除します。
- ユーザーによるメール削除方法
SMTPプローブが送信した計測用メールをユーザーが定期的に削除してください。
準拠するRFC
- RFC1939:Post Office Protocol - Version 3
- RFC2821:Simple Mail Transfer Protocol
- RFC2822:Internet Message Format
RFCに準拠していない機能や制限事項については,前述の注意事項を参照してください。
All Rights Reserved. Copyright (C) 2006, 2008, Hitachi, Ltd.