SCMRF Configuration Definition for Windows

[目次][用語][索引][前へ][次へ]

5.2.1 PRMFを使用する場合の前提構成

<この項の構成>
(1) PRMFを使用する場合のシステム構成例
(2) 物理プロセサの構成例
(3) LPAR上のゲストOSの構成

(1) PRMFを使用する場合のシステム構成例

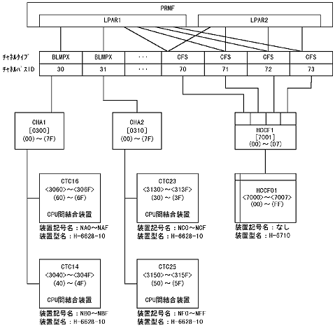
構成例のシステムは,二つのLPARに分割している物理プロセサおよび二つのベーシックモードのプロセサから構成されるローカル複合プロセサシステムです。PRMFを使用する場合のシステム構成例を図5-21に示します。

図5-21 PRMFを使用する場合のシステム構成例

[図データ]

物理プロセサPRMF1の下にはプロセサA(LPAR1)およびプロセサB(LPAR2)の二つのLPARがあります。また,ベーシックモードのプロセサCおよびプロセサDがあります。プロセサA,プロセサB,プロセサC,プロセサDはACODを経由して接続しています。接続するACODはAOMPLUSのACONARC制御機能で制御します。

(2) 物理プロセサの構成例

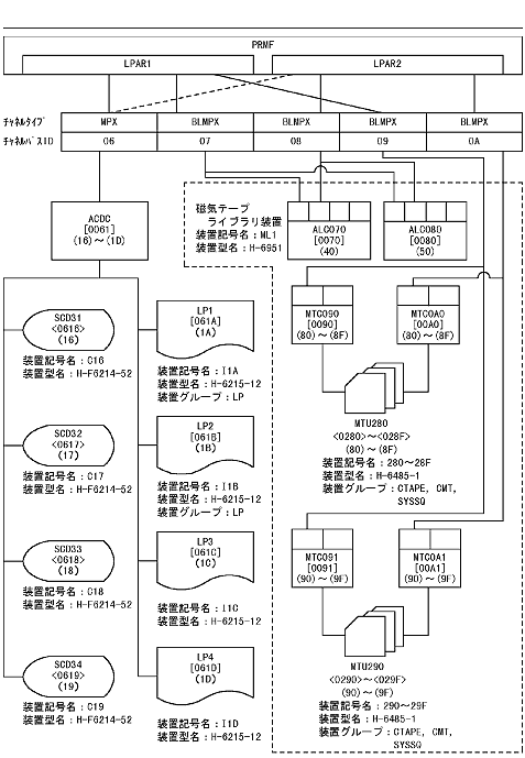
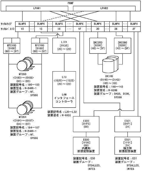
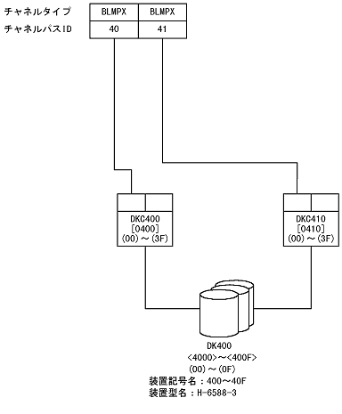
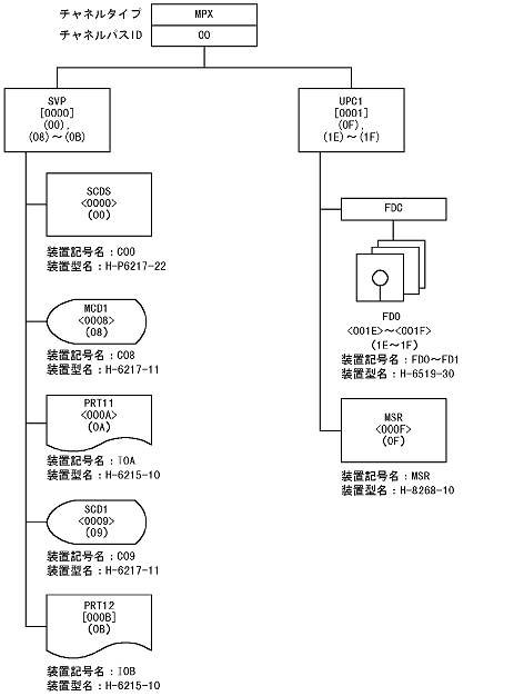
PRMF1の入出力構成・ACOD構成・PRMF構成を図5-23〜図5-29に示します。なお,構成図は図5-22に示す形式で記述しています。

図5-22 構成図の記述形式(PRMFを使用する場合)

[図データ]

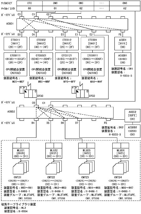
図5-23 物理プロセサPRMF1の構成(1/7)

[図データ]

図5-24 物理プロセサPRMF1の構成(2/7)

[図データ]

図5-25 物理プロセサPRMF1の構成(3/7)

[図データ]

図5-26 物理プロセサPRMF1の構成(4/7)

[図データ]

図5-27 物理プロセサPRMF1の構成(5/7)

[図データ]

図5-28 物理プロセサPRMF1の構成(6/7)

[図データ]

図5-29 物理プロセサPRMF1の構成(7/7)

[図データ]

(3) LPAR上のゲストOSの構成

LPAR1上のゲストOSの入出力構成・ACOD構成を図5-30〜図5-36に示します。なお,構成図は図5-2に示す形式で記述しています。

図5-30 LPAR1上のゲストOSの構成(1/7)

[図データ]

図5-31 LPAR1上のゲストOSの構成(2/7)

[図データ]

図5-32 LPAR1上のゲストOSの構成(3/7)

[図データ]

図5-33 LPAR1上のゲストOSの構成(4/7)

[図データ]

図5-34 LPAR1上のゲストOSの構成(5/7)

[図データ]

図5-35 LPAR1上のゲストOSの構成(6/7)

[図データ]

図5-36 LPAR1上のゲストOSの構成(7/7)

[図データ]