HICAD/DRAFT for Windows 入門編

[目次][索引][前へ][次へ]

4.11 角を丸く削ります

直角な角を丸く削ります。

  1. [図データ](角丸め)をクリックします。

    [図データ]

  2. [図データ](ウィンドウ拡大)をクリックします。

    [図データ]

  3. 拡大する範囲をドラッグして決めます。

    [図データ]

  4. [図データ](角丸め)の「丸め半径」として,次のように入力します。
    1;

    [図データ]

  5. 「辺」として,丸く削る角(+)をクリックします。

    [図データ]

  6. 丸めた角に接している線が消えてしまいました。角に接している線が消えない結果になるまで,マウスの右ボタンを何度か押します。

    [図データ]

  7. (角丸め)を続けて使います。「丸め半径」として入力した内容が残っています。「辺」として,先程と同じ長さで削る角(+)をクリックします。

    [図データ]

  8. 丸めた角に接している線が消えてしまいました。角に接している線が消えない結果になるまで,マウスの右ボタンを何度か押します。

    [図データ]

  9. [図データ](角丸め)を続けて使います。今度は削る大きさを変えるので,「丸め半径」に残っている内容を取り消すため,[図データ](後退)をクリックします。

    [図データ]

  10. 「丸め半径」として次のように入力します。
    2;

    [図データ]

  11. 「辺」として,丸く削る角(+)をクリックします。

    [図データ]

  12. [図データ](角丸め)を続けて使います。削る大きさを変えるので,「丸め半径」に残っている内容を取り消すため,[図データ](後退)をクリックします。
  13. 「丸め半径」として次のように入力します。
    3;

    [図データ]

  14. 「辺」として,丸く削る角(+)をクリックします。

    [図データ]

  15. 図形の下半分も同じようにして角を丸く削ります。図形の上半分で削った角と対称になっている角を削ります。

    [図データ]

  16. [図データ](ウィンドウ拡大)をクリックします。

    [図データ]

  17. 拡大する範囲をドラッグして決めます。

    [図データ]

  18. 「丸め半径」として次のように入力します。「丸め半径」に残っている内容があるときは[図データ](後退)をクリックしておきます。
    0.2;

    [図データ]

  19. 「辺」として,丸く削る角(+)をクリックします。

    [図データ]

  20. [図データ](ウィンドウ標準)をクリックします。

    [図データ]

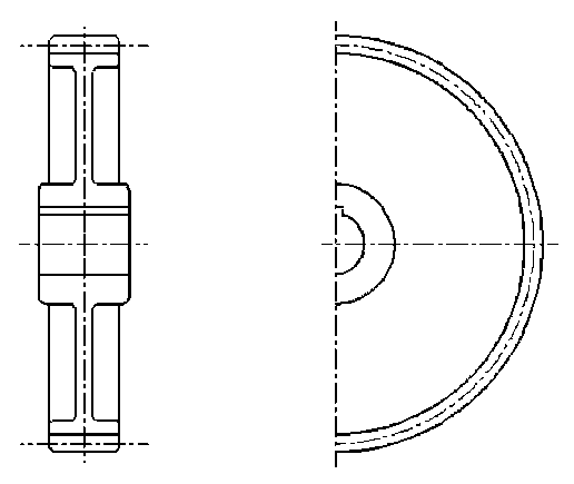
  21. これで直角な角を丸く削れました。

    [図データ]