HICAD/DRAFT for Windows 入門編

[目次][索引][前へ][次へ]

3.1 この章のはじめに

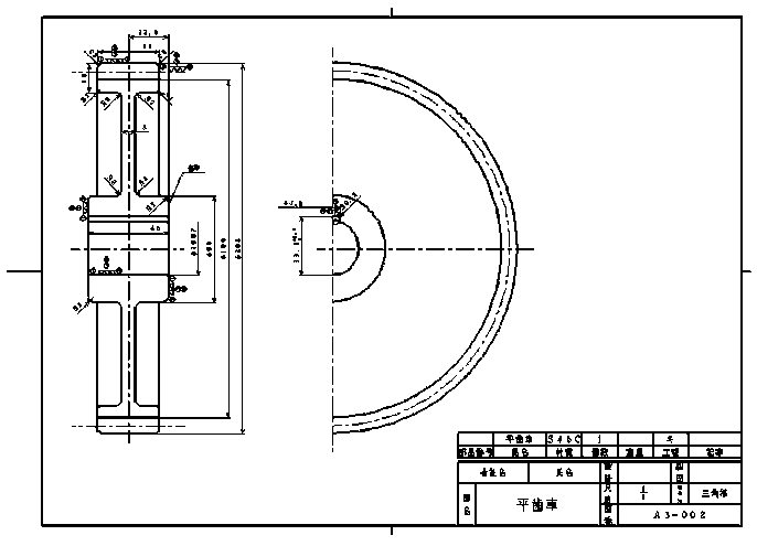
この章から始まる例題を操作すると,次のような平歯車の図面が作成できます。

[図データ]

例題は次のような流れになっています。

[図データ]

■例題の説明
次に示す図形を作成します。
[図データ]

■使用する機能

この章では,次に示す機能の操作を練習していきます。なお,各機能の詳細については,マニュアル「製図システム HICAD/DRAFT for Windows 使用の手引」,および「製図システム HICAD/DRAFT for Windows コマンド編」を参照してください。