製図システム HICAD/DRAFT for Windows マクロ編
![[目次]](FIGURE/CONTENT.GIF)
![[用語]](FIGURE/GLOSS.GIF)
![[索引]](FIGURE/INDEX.GIF)
![[前へ]](FIGURE/FRONT.GIF)
(1) 距離寸法(2点間・2要素間)
- 【作成順序】
![[図データ]](FIGURE/ZU051600.GIF)
- 【補足説明】
- 補助線のある2要素間寸法で寸法補助線が1本だけの場合,もう一方の補助線は,要素と重なって非表示になっています。
- 【対象コマンド】
- 2点間寸法[寸法編集/2点間寸法]
- 2要素間寸法[寸法編集/要素間寸法]
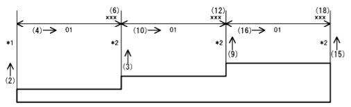
- 【作成順序】
![[図データ]](FIGURE/ZU051700.GIF)
- 【補足説明】
- 補助線(3)には補助線(8)(*1),補助線(9)には補助線(14)(*1)が重なっていますが,非表示になっています。
- 【対象コマンド】
- 直列寸法[寸法編集/連続寸法/直列寸法]
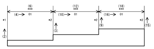
- 【作成順序】
![[図データ]](FIGURE/ZU051800.GIF)
- 【補足説明】
- 補助線(14)には補助線(2)(*1)と補助線(8)(*1)が重なっていますが,非表示になっています。
- 【対象コマンド】
- 並列寸法[寸法編集/連続寸法/並列寸法]
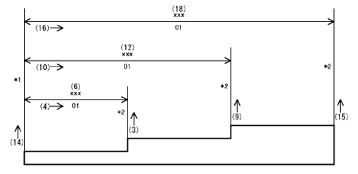
- 【作成順序】
![[図データ]](FIGURE/ZU051900.GIF)
- 【補足説明】
- 補助線(3)には補助線(8)(*1),補助線(9)には補助線(14)(*1)が重なっていますが,非表示になっています。
- 【対象コマンド】
- 累進寸法[寸法編集/連続寸法/累進寸法]
- 【作成順序】
![[図データ]](FIGURE/ZU052000.GIF)
- 【対象コマンド】
- 片矢印寸法[寸法編集/片矢印寸法]
All Rights Reserved. Copyright (C) 1998, 2007, Hitachi, Ltd.