画面・帳票サポートシステム XMAP3 プログラミングガイド 画面編

[目次][用語][索引][前へ][次へ]

3.4.9 予約フィールド

OpenTP1がサポートする予約項目名称を定義するオブジェクトです。論理マップ上にデータを設定していなくても,実行時に予約項目名に応じた内容で画面に出力されます。予約フィールドはOLTPサーバ構成の環境で利用できます。

なお,予約フィールドの表示属性の詳細については「付録A 属性情報一覧」を参照してください。

<この項の構成>
(1) 表示処理
(2) 予約項目名

(1) 表示処理

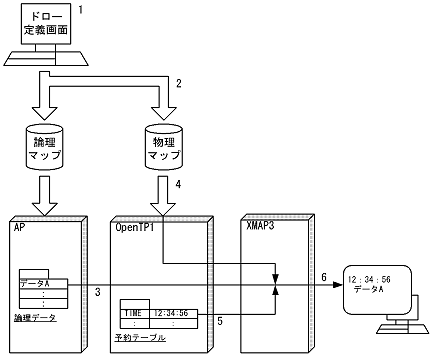
予約フィールドの出力の仕組みを次に示します。

  1. ドロー定義画面で予約テキスト(または予約フィールド)「TIME」を定義します。
  2. 物理マップ中に,予約項目情報「TIME」が設定されます。
  3. APからのSEND文によって論理データが指定されます。
  4. OpenTP1に物理マップが読み込みます。
  5. OpenTP1によって予約テーブルが生成され,論理データ,物理マップ,および予約テーブルなどがXMAP3に渡されます。
  6. XMAP3によって画面にデータが表示されます。

    [図データ]

(2) 予約項目名

予約フィールドに定義する項目名称はOpenTP1で提供されている予約項目名を指定します。OpenTP1が提供する予約項目名はドローで定義しておきます。論理マップにデータを設定しなくても,OpenTP1から生成された日付,時刻などのデータを,項目名に対応したフォーマットで画面上に表示できます。

予約項目名については,マニュアル「OpenTP1プロトコル TP1/NET/XMAP3編」を参照してください。