Hitachi

ノンストップデータベース HiRDB Version 10 UAP開発ガイド


2.10 表の外結合

全体の情報を持つ外表と部分的な情報を持つ内表とを結合し,通常の結合(内結合)で得られる情報以外に,外表に関するすべての行の情報が必要な場合,アウタジョイン (表の外結合)によって検索結果を取り出すことができます。アウタジョインでは,結合条件を満たしていない場合,内表の列にはナル値が補われるので,欠損値を含んだ結合ができます。

アウタジョインの例として,在庫表と受注表を外結合し,在庫量が100未満の商品の商品コード,商品名,色,及び伝票番号を検索する例を次の図に示します。

図2‒38 アウタジョインの例

[図データ]

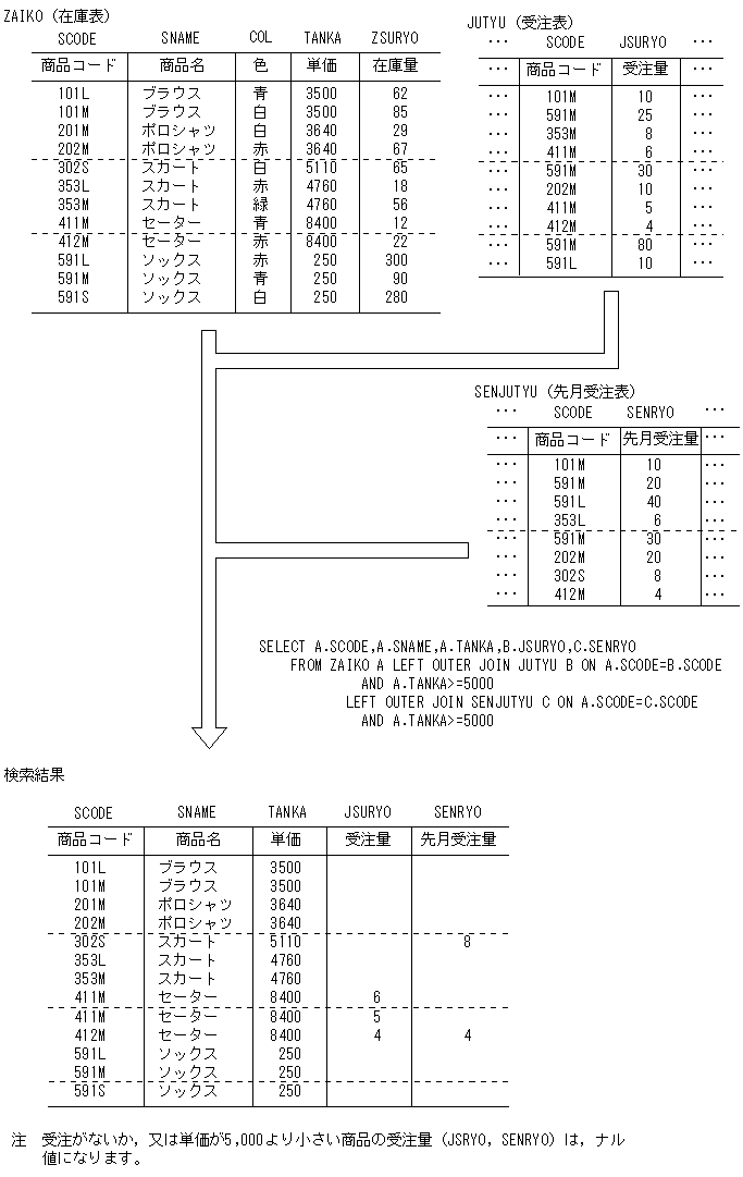
3表以上のアウタジョインの例として,在庫表,受注表,先月受注表を外結合し,全商品の商品名,単価と,単価が5,000円以上の商品の今月の受注量と,先月の受注量を検索する例を次の図に示します。

図2‒39 3表以上のアウタジョインの例

[図データ]