PRINT DATA EXCHANGE - Form Designer

[目次][用語][索引][前へ][次へ]

4.6.4 編集機能

<この項の構成>
(1) 編集操作手順
(2) 編集機能

(1) 編集操作手順

編集操作は,編集対象になっている図形に対して編集機能を実行します。

編集操作手順を次に示します。

(a) 編集対象図形の選択方法

(@)図形の直接指定
図形を直接指定する流れを次の図に示します(編集対象図形の明示はマーカ表示)。

図4-23 図形を直接指定する流れ

[図データ]
  1. [書式設計]画面の作画ツールバーから編集対象選択のプッシュボタン[図データ] を選択すると,編集対象図形を選択する状態になります。
  2. 編集対象にする図形を選択します。
    ポインタを図形に位置づけて,左マウスボタンをクリックします。
  3. 選択した図形が,編集対象となって表示されます。
編集対象図形の明示方法には,図形の周りにマーカを表示する方法と図形の色を変える二つの方法があり,[書式設計]画面のメニューバーの[オプション]の[作画・編集]を選択します。なお,上記の図の編集対象図形の明示は,マーカ表示となっています。
解説
編集対象図形を選択する場合,各図形とポインタの位置の関係は次に示すようになります。
  • 直線
    [図データ]
  • 矩形
    [図データ]
  • 網掛け
    [図データ]
  • パターン
    [図データ]

  • [図データ]
  • 円弧
    [図データ]
  • 文字列
    [図データ]
  • 反復した図形
    [図データ]

(A)範囲の指定
範囲を指定する手順を次に示します。
  1. [書式設計]画面の作画ツールバーから編集対象図形の選択のプッシュボタン[図データ] を選択します。
  2. 頂点を指定します。
    編集対象にする図形を囲む領域の頂点を指定します。
  3. 対角点を指定します。
左マウスボタンを押したままマウスを移動すると,ポインタの位置を対角点とする領域の中の図形が編集対象になって,表示されます。

(B)編集対象への追加と除外
  • 編集対象の変更
    別の図形を選択すると,それまでの編集対象図形は通常の表示に戻り,編集対象ではなくなります。指定した範囲の中にある編集対象図形は通常の表示に戻り,編集対象ではなくなります。
  • 編集対象の追加
    編集対象を選択したあと,さらに別の図形を編集対象に追加する場合は,次に示すように操作します。
 
  • 図形を直接指定する
    ポインタを図形に位置づけて,[Ctrl]キーを押しながら左マウスボタンをクリックします。選択した図形が編集対象に追加されます。
  • 範囲を指定する
    ポインタを編集範囲の頂点に位置づけて,[Ctrl]キーを押しながら左マウスボタンを押し,そのままマウスを移動して対角点で離します。
  • 編集対象からの除外
    広い範囲を指定したあと,特定の図形を編集対象から除くには,編集対象を追加する場合と同様の方法で選択し直すと,その図形は通常の表示に戻り編集対象ではなくなります。

(C)書式中の全図形の編集対象としての選択
[書式設計]画面の標準ツールバーからプッシュボタン[図データ] ,またはメニューバーの[編集]から[全選択]を選択すると,書式中の全図形が編集対象になり,表示されます。
(b) 編集機能の選択

[書式設計]画面の標準ツールバーから編集機能のプッシュボタン[図データ] ,またはメニューバーの[編集]から編集機能を選択します。

(2) 編集機能

(a) 切り取り

編集対象図形を一時的に記憶し,その編集対象図形は消去されます。

切り取り手順を次に示します。

  1. [書式設計]画面の標準ツールバーからプッシュボタン[図データ] ,またはメニューバーの[編集]から[切り取り]を選択します。
    この時点で編集対象図形が一時的に記憶され,図形は消去されます。

補足事項
[切り取り]と[貼り付け]を使った手順
  1. [書式設計]画面の標準ツールバーからプッシュボタン[図データ] ,またはメニューバーの[編集]から[切り取り]を選択します。
    編集対象図形が一時的に記憶され,図形は消去されます。
  2. [書式設計]画面の標準ツールバーからプッシュボタン[図データ] ,またはメニューバーの[編集]から[貼り付け]を選択します。
  3. マウスカーソルを貼り付けたい位置へずらし,左マウスボタンを押します。
    一時的に記憶されていた図形が貼り付けられます。
(b) 複写

編集対象図形を一時的に記憶し,そのまま編集対象図形は残ります。

複写する手順を次に示します。

  1. [書式設計]画面の標準ツールバーからプッシュボタン[図データ] ,またはメニューバーの[編集]から[複写]を選択します。
    この時点で編集対象図形が一時的に記憶され,図形は残ります。

補足事項
[複写]と[貼り付け]を使った手順
  1. [書式設計]画面の標準ツールバーからプッシュボタン[図データ] ,またはメニューバーの[編集]から[複写]を選択します。
    編集対象図形が一時的に記憶され,図形は残ります。
  2. [書式設計]画面の標準ツールバーからプッシュボタン[図データ] ,またはメニューバーの[編集]から[貼り付け]を選択します。
  3. マウスカーソルを複写したい位置へずらし,左マウスボタンを押します。
    一時的に記憶されていた図形が貼り付けられます。
(c) 貼り付け

一時的に記憶していた編集対象図形を,マウスで示す位置へ貼り付けます。

貼り付け手順を次に示します。

  1. [書式設計]画面の標準ツールバーからプッシュボタン[図データ] ,またはメニューバーの[編集]から[貼り付け]を選択します。
  2. マウスカーソルを貼り付けたい位置へずらし,左マウスボタンを押します。
    一時的に記憶されていた編集対象図形が貼り付けられます。
(d) 消去

編集対象図形を消去します。

消去する手順を次に示します。

  1. [書式設計]画面のメニューバーの[編集]から[消去]を選択,または[Delete]キーを押します。
    編集対象図形がすべて消去され,編集対象図形はなくなります。
(e) 移動

編集対象図形を書式中の別な場所に移動します。

移動する手順を次に示します。

  1. [書式設計]画面の標準ツールバーからプッシュボタン[図データ] ,またはメニューバーの[編集]から[移動]を選択します。
    移動元の図形内にマウスカーソルがある場合は[図データ] が表示され,図形外の場合は[図データ] が表示されます。
  2. 移動先を指定します。
    マウスカーソルを移動した位置へずらし,左マウスボタンを押すと,編集対象図形が移動して表示されます。移動後も引き続き編集対象になります。
(f) 拡大・縮小

編集対象図形を縦,横,および斜め方向に拡大・縮小します。

拡大・縮小する手順を次に示します。

  1. [書式設計]画面の標準ツールバーからプッシュボタン[図データ] ,またはメニューバーの[編集]から[拡大・縮小]を選択します。
    編集対象図形を囲む矩形とマーカが表示されます。
  2. 拡大・縮小する方向のマーカを選択します。
  3. 図形の大きさを指定します。
    左マウスボタンを押さえたままマウスを移動して,大きさを決めます。
    ボタンを離すと拡大・縮小された図形が表示されます。
    拡大・縮小後も引き続き編集対象になります。

補足事項
  • マーカと拡大・縮小の方向
    表示されるマーカと拡大・縮小の方向には次に示す関係があります。
    マーカと拡大・縮小の方向を次の図に示します。

    図4-24 マーカと拡大・縮小の方向

    [図データ]

  • ドラッグ中のポインタ
    各マーカを選択してマウスをドラッグする場合,ポインタは次に示すように表示されます。
    ドラッグ中のポインタを次の図に示します。

    図4-25 ドラッグ中のポインタ

    [図データ]

  • 斜線の拡大・縮小
    斜線は拡大・縮小すると,角度が変わります。
    斜線の拡大・縮小を次の図に示します。

    図4-26 斜線の拡大・縮小

    [図データ]

  • 円の拡大・縮小
    拡大・縮小された矩形に内接する円が,矩形の中央に配置されます。
    円の拡大・縮小を次の図に示します。

    図4-27 円の拡大・縮小

    [図データ]

  • 円弧の拡大・縮小
    拡大・縮小の方法は円と同じです。円の半径を変えないで円弧を伸縮するには,[拡大・縮小]ではなく[図形微調整]で円弧の開始角または終了角を変更してください。
    円弧の拡大・縮小を次の図に示します。

    図4-28 円弧の拡大・縮小

    [図データ]

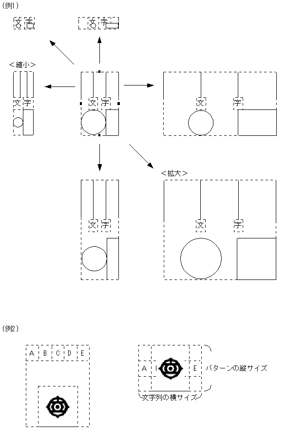
  • パターンの拡大・縮小
    縮小はできません。拡大した場合,拡大した矩形の中央にパターンが配置されます。
    パターンの拡大・縮小を次の図に示します。

    図4-29 パターンの拡大・縮小

    [図データ]

  • 字間指定文字列の拡大・縮小
    縮小はできません。拡大した場合,拡大した矩形の中央に文字列が配置されます。
    字間指定文字列の拡大・縮小を次の図に示します。

    図4-30 字間指定文字列の拡大・縮小

    [図データ]

  • 均等配置文字列の拡大・縮小
    拡大・縮小された矩形の中で均等配置されます。
    均等配置文字列の拡大・縮小を次の図に示します。

    図4-31 均等配置文字列の拡大・縮小

    [図データ]

  • 両端そろえ文字列の拡大・縮小
    拡大・縮小された矩形の中で両端そろえ配置されます。
    両端そろえ文字列の拡大・縮小を次の図に示します。

    図4-32 両端そろえ文字列の拡大・縮小

    [図データ]

  • 反復図形の拡大・縮小
    反復図形の拡大・縮小では,図形,間隔とも拡大・縮小されます。
    反復図形の拡大・縮小を次の図に示します。

    図4-33 反復図形の拡大・縮小

    [図データ]

  • 複数図形の拡大・縮小
    複数の編集対象図形を囲む矩形を拡大・縮小すると,個々の図形も拡大・縮小されます。
    矩形を縮小し続けて,各図形が入り切らなくなると,重なって配置されます。
    複数図形の拡大・縮小を次の図に示します。

    図4-34 複数図形の拡大・縮小

    [図データ]

(g) 反復複写

編集対象図形を上下左右に指定した間隔で指定した回数複写します。

反復複写する手順を次に示します。

  1. [書式設計]画面の標準ツールバーからプッシュボタン[図データ] ,またはメニューバーの[編集]から[反復複写]を選択します。
    複写元の図形内にマウスカーソルがある場合は,[図データ] が表示され,図形外の場合は[図データ] が表示されます。
  2. 複写先を指定します。
    マウスカーソルを複写先へ位置づけし,左マウスボタンを押すと,[複写回数入力]画面が表示されます。
  3. 複写回数を入力します。
    複写回数には1以上の数値を指定します。0を指定すると反復複写はされません。
  4. 回数を確認して[OK]ボタンをクリックします。
    複写された図形が表示されて,編集対象になります。
    元の図形は編集対象ではなくなります。

補足事項
  • 図形の間隔
    図形の間隔(反復複写)を次の図に示します。

    図4-35 図形の間隔(反復複写)

    [図データ]

  • 複写の方向
    複写の方向を次の図に示します。

    図4-36 複写の方向

    [図データ]

(h) 反復

編集対象図形を上下または左右に反復します。図形の反復には,反復間隔,反復回数,および反復範囲から二つの項目を指定します。

間隔と回数を指定する反復
間隔と回数を指定する反復手順を次に示します。
  1. [書式設計]画面の標準ツールバーからプッシュボタン[図データ] ,またはメニューバーの[編集]から[反復]−[間隔回数指定]を選択します。
  2. 反復先を指定します。
    マウスカーソルを反復先へ位置づけし,左マウスボタンを押すと,編集対象図形の大きさが点線で表示され,[反復回数入力]画面が表示されます。
  3. 反復回数を入力します。
  4. 回数を確認して[OK]ボタンをクリックします。
    反復された図形が表示され,元の図形を含む図形群全体が一つの編集対象になります。
補足事項
  • 反復先の位置
    反復先を元の図形に重ねることはできません。
  • 図形の間隔
    元の図形と指定した反復先との間隔が反復の間隔になります。
    図形の間隔(間隔と回数を指定する反復)を次の図に示します。

    図4-37 図形の間隔(間隔と回数を指定する反復)

    [図データ]

  • 反復の方向
    反複の方向を次の図に示します。

    図4-38 反複の方向

    [図データ]

間隔と範囲を指定する反復
間隔と最後の位置を指定すると,回数は自動的に算出されます。
間隔と範囲を指定する反復手順を次に示します。
  1. [書式設計]画面の標準ツールバーからプッシュボタン[図データ] ,またはメニューバーの[編集]の[反復]から[間隔範囲指定]を選択します。
  2. 反復先を指定します。
    マウスカーソルを反復先へ位置づけし,左マウスボタンを押すと,編集対象図形の大きさが点線で表示され,反復範囲を指定する状態になります。
  3. 反復範囲を指定します。
    反復範囲の終わりの位置にポインタを位置づけて,左マウスボタンを押すと,反復範囲を示す矩形が点線で表示されます。ボタンを押したままマウスを移動して反復範囲を決めます。
    ボタンを離すと,反復された図形が表示され,元の図形を含む図形群全体が一つの編集対象になります。
補足事項
間隔範囲指定の反復回数
指定した反復範囲が(反復間隔+図形の大きさ)の整数倍にならない場合は,整数倍に切り捨てた値が反復回数になるので,実際の反復範囲は指定した反復範囲より小さくなることがあります。
間隔範囲指定の反復回数を次の図に示します。

図4-39 間隔範囲指定の反復回数

[図データ]

範囲と回数を指定する反復
最後の位置と回数を指定すると,間隔は自動的に算出されます。
範囲と回数を指定する反復手順を次に示します。
  1. [書式設計]画面の標準ツールバーからプッシュボタン[図データ],またはメニューバーの[編集]の[反復]から[範囲回数指定]を選択します。
  2. 反復範囲を指定します。
    反復範囲の終わりの位置にポインタを位置づけて,左マウスボタンを押すと,反復範囲を示す矩形が点線で表示され,[反復回数入力]画面が表示されます。
  3. 反復回数を入力します。
  4. 回数を確認して[OK]ボタンをクリックします。
    反復された図形が表示され,元の図形を含む図形群が一つの編集対象になります。
解説
  • 円,円弧の反復
    単一の円,円弧を反復する場合は,中心点が重ならなければ図形の一部が重なってもかまいません。
    円,円弧の反復(単一の円,円弧を反復する場合)を次の図に示します。

    図4-40 円,円弧の反復(単一の円,円弧を反復する場合)

    [図データ]

    複数の図形を反復する場合は,図形が重ならないようにしてください。
    円,円弧の反復(複数の図形を反復する場合)を次の図に示します。

    図4-41 円,円弧の反復(複数の図形を反復する場合)

    [図データ]

  • 斜線を含む複数図形の反復
    斜線を含む複数図形の反復を次の図に示します。

    図4-42 斜線を含む複数図形の反復

    [図データ]

  • 反復した図形の反復
    反復の反復はできません。
    反復図形を反復すると,元の編集対象図形が新しい反復間隔で反復されます。
    反復した図形の反復を次の図に示します。

    図4-43 反復した図形の反復

    [図データ]

    反復図形を,反復回数に0を指定して反復し直すと,反復のない元の図形に戻ります。
  • 反復複写と反復の違い
    [反復複写]と[反復]には,次に示す違いがあります。
    反復複写と反復の違いを次の表に示します。

    表4-16 反復複写と反復の違い

    図形種別 特長
    [反復複写]した図形
    • 個別に編集できます。
    • 書式上の図形の個数が複写した図形の個数だけ増えます。
    [反復]した図形
    • 1度の反復操作で作成された図形群全体が1個の図形として扱われるので,書式上の図形の個数が反復操作の回数しか増えません。
    • 1度に反復した図形群全体の属性を変更できます。
(i) 属性変更

編集対象図形の属性を変更します。属性を変更できるのは,一つの図形に対してだけで,編集対象が複数の図形の場合,図形属性は変更できません。

属性変更する手順を次に示します。

  1. [書式設計]画面の標準ツールバーからプッシュボタン[図データ],またはメニューバーの[編集]から[属性変更]をクリックします。
    [属性変更]画面が表示されます。[属性変更]画面は,編集対象図形の種類によって変わります。
  2. 属性を指定します。
    変更後の属性を指定します。
  3. 属性を確認して[OK]ボタンをクリックします。
    変更後の属性で,編集対象図形が表示されます。

補足事項
線属性を変更する場合の注意事項
  • 線を太くして書式の端からはみ出すような変更はできません。
    線を太くして書式の端からはみ出す変更例を次の図に示します。

    図4-44 線を太くして書式の端からはみ出す変更例

    [図データ]

  • 円,円弧が小さい場合は,線を太くできないことがあります。
  • 反復された直線では,線を太くして直線が重なるような変更はできません。
矩形属性を変更する場合の注意事項
  • 矩形が小さい場合は,線を太くできないことがあります。
  • 矩形が小さい場合は,ラウンドコーナーにしたり,ラウンド直径を大きくできないことがあります。
文字属性を変更する場合の注意事項
  • 文字サイズを大きくして文字領域または書式の端からはみ出すような変更はできません。
  • 字間を大きくして文字領域または書式の端からはみ出すような変更はできません。
  • 字間指定の文字列が反復されている場合,文字サイズや字間を大きくして反復図形が重なるような変更はできません。
文字配置法の変更
文字の配置法を変更すると,次に示すようになります。
(1)均等配置および両端そろえ配置から,字間指定配置への変更
 均等配置および両端そろえ配置から,字間指定配置への変更を次の図に示します。

図4-45 均等配置および両端そろえ配置から,字間指定配置への変更

[図データ]
文字領域内に横書きでは左から,縦書きでは上から指定した文字間隔で配置されます。もう一度均等配置または両端そろえ配置に変更した場合も,「(2)字間指定配置から,均等配置または両端そろえ配置への変更」の配置となるため,元には戻りません。
(2)字間指定配置から,均等配置または両端そろえ配置への変更
 字間指定配置から,均等配置または両端そろえ配置への変更を次の図に示します。

図4-46 字間指定配置から,均等配置または両端そろえ配置への変更

[図データ]
文字領域の大きさは変えないで,均等配置または両端そろえで配置されます。
(j) 文字列変更

文字列中の文字を変更します。

複数の文字列が編集対象の場合は,文字列の内容を変更できません。

文字列変更する手順を次に示します。

  1. [書式設計]画面の標準ツールバーからプッシュボタン[図データ] ,またはメニューバーの[編集]から[文字列変更]を選択します。
    [文字列変更]画面が表示されます。[文字列変更]画面の入力方法は,[文字列入力]画面と同様です。
  2. 文字列を変更します。
    変更する文字列を入力します。
  3. 文字列を確認して[OK]ボタンをクリックします。
    変更後の文字列が表示されます。

補足事項
文字数の変更
編集対象文字列の領域内に収まる範囲で,字間指定の文字列のときは書式内に収まる範囲で文字数を増やせます。
変更後の文字数が領域に収まらないときは,[拡大・縮小]して領域を広げてから,文字列を変更してください。
字間指定の横書き文字列は左に,縦書き文字列は上に[移動]すると,増やせます。
(k) センタリング

編集対象図形を指定した領域の中央に配置します。

  1. [書式設計]画面の標準ツールバーからプッシュボタン[図データ] ,メニューバーの[編集]から[センタリング]を選択します。
  2. センタリングする領域の頂点を指定します。
  3. センタリングする領域の対角点を指定します。
    ポインタの位置を対角点とする領域の大きさが点線で表示されます。左マウスボタンを押したままマウスを移動し,領域の大きさを決めます。
    ボタンを離すと,指定した領域の中央に,編集対象図形が表示されます。

補足事項
センタリングでは,編集対象図形が領域の中央に配置されます。編集対象図形が複数の図形でも,移動と同様に図形間の位置は変わりません。図形群がセンタリングされます。
センタリング後の図形の配置を次の図に示します。

図4-47 センタリング後の図形の配置

[図データ]
(l) 図形微調整

マウス操作の誤差や格子補正による誤差をドット単位で調整し,図形の位置や大きさを微調整します。

図形を微調整する手順を次に示します。

  1. [書式設計]画面の標準ツールバーからプッシュボタン[図データ] ,メニューバーの[編集]から[図形微調整]を選択します。
    編集対象図形に応じた[図形微調整]画面が表示されます。
  2. 変更する情報を選択します。
    変更する座標などの項目を選択します。
  3. 情報を変更します。
    変更する方向のステッパボタンをクリックします。
    クリックするごとに1ドットずつ変化します。
  4. 確認して[OK]ボタンをクリックします。
    変更後の図形が表示されます。

解説
  • ステッパボタン
    情報を変更するボタンで次に示すように操作します。
(1)座標
[図データ]
(2)円,円弧の半径
[図データ]
(3)円弧の開始角,終了角
[図データ]
  • 各図形の微調整の方法
    [図形微調整]画面を使った微調整の方法を次に示します。
(1)直線
  • 微調整中の表示

    [図データ]

    始点と終点は,作画時に指定した直線の始点と終点です。
  • 調整方法
    始点と終点を同時に選択してから,ステッパボタンをクリックすると,直線は移動します。
    始点または終点のどちらか一方を選択すると拡大・縮小になります。
(2)矩形,網掛け,均等配置文字列,両端そろえ文字列,反復した図形,および複数の図形
  • 微調整中の表示

    [図データ]

    始点と終点は,作画時に指定した直線の始点と終点です。
  • 調整方法
    左上点と右下点を同時に選択してから,ステッパボタンをクリックすると図形は移動します。
    左上点または右下点のどちらか一方を選択すると拡大・縮小になります。
(3)パターン,字間指定文字列
  • 微調整中の表示

    [図データ]

  • 調整方法
    拡大・縮小はできません。ステッパボタンをクリックすると,図形は移動します。
(4)円
  • 微調整中の表示

    [図データ]

  • 調整方法
    座標を変更すると,円は移動します。拡大・縮小するには,半径を変更します。
(5)円弧
  • 微調整中の表示

    [図データ]

  • 調整方法
    座標を変更すると,円弧は移動します。拡大・縮小するには,半径,開始角,または終了角を変更します。
    開始角と終了角が重なるような変更はできません。