uCosminexus Application Server, Maintenance and Migration Guide

[Contents][Glossary][Index][Back][Next]

8.2 Trace Get Point of trace based performance analysis and the PRF Trace Get Level

This section describes the trace collection points and PRF trace collection levels.

Organization of this section
(1) Trace collection point
(2) PRF trace collection level

(1) Trace collection point

The trace collection points are broadly classified into trace collection during the startup and termination of a J2EE server, trace collection during processing in each function layer, and trace collection during the startup and termination of application methods.

Trace collection during the startup and termination of the J2EE server

The trace information can be collected when the startup processing of the J2EE server ends, and when the termination processing of the J2EE server starts. The event IDs that can be acquired, and the references are as follows:

Trace collection in each function layer

The following table describes the correspondence between the event IDs that can be acquired and the function layers.

Table 8-2 Event IDs that can be acquired and function layers

Event ID Function layer No. in the figures# Reference location
0x1101 to 0x1102
0x1301 to 0x1302
0x1401 to 0x1406
0x2002 to 0x2003
0x2101 to 0x2104
0x3000 to 0x3008
CTM 5 8.3
0x8000 to 0x8004
0x8100 to 0x8104
Redirector 1 8.4
0x8200 to 0x8203
0x8206 to 0x8225
0x8300 to 0x8303
0x8306 to 0x8307
0x8311 to 0x8325
0x8E01 to 0x8E06
Web container 2 8.5, 8.6, 8.7, 8.8, 8.10
0x8401 to 0x840A
0x8425 to 0x8428
0x842D to 0x8434
0x8453 to 0x8454
0x8460 to 0x846D
0x8470 to 0x8477
0x8490 to 0x8491
0x84A0 to 0x84D9
0x8C41
EJB container 6 8.11
0x8603 to 0x861C JNDI 4 8.12
0x8435 to 0x843F
0x8811 to 0x8820
0x8C41
JTA 7 8.13
0x8B00 to 0x8B01
0x8B80 to 0x8B89
0x8B8A to 0x8C03
0x8C10 to 0x8C13
0x8C20 to 0x8C41
0x8C60 to 0x8C65
0x8C80 to 0x8C93
0x8CC0 to 0x8CD9
0x8D00 to 0x8D19
0x8D60 to 0x8D63
0x8D80 to 0x8D89
0x8D8A to 0x8D8F
0x8D90 to 0x8D99
DB Connector and JCA container 8 8.14
0x8E01 to 0x8E06 RMI 3 8.15
0x9400 to 0x9413 OTS 9 8.16
0x9C00 to 0x9C03 Standard output, standard error output, and user log -- 8.17
0x9D00, 0x9D01 DI 10 8.18
0xA100, 0xA101 Batch application execution functionality 11 8.19
0xA500 to 0xA5AF JPA 12 8.20
0xA300 to 0xA305
0xA310 to 0xA315
0xA320 to 0xA323
0xA330 to 0xA331
0xA340 to 0xA363
0xA370 to 0xA381
0xA390 to 0xA3C3
Cosminexus JPA provider 13 8.21
0x842F
0x8430 to 0x8432
0x8825
0x8826
0x8B86, 0x8B87
0x8B8A to 0x8B93
0xAA00 to 0xAA06
0xAA08 to 0xAA0D
0xAA10 to 0xAA19
TP1 inbound integrated function 14 8.22
0xA600 to 0xA60F
0xA610 to 0xA619
0xA61E, 0xA61F
0xA620 to 0xA62F
0xA630 to 0xA63F
0xA640 to 0xA64F
0xA650 to 0xA65F
0xA660 to 0xA667
0xA61A, 0xA61B
0xA668 to 0xA66F
0xA670 to 0xA67F
0xA686 to 0xA68D
0xA692 to 0xA69B
0xA69E, 0xA69F
0xA6A0, 0xA6A1
0xA6A6 to 0xA6AB
Cosminexus JMS Provider 15 8.23
0xAD00 to 0xAD15
0xAD80 to 0xAD93
JavaMail 16 8.24
0xAF00 to 0xAF13 JSF 17 8.25
0xb002 to 0xb009 CDI 18 8.26

Legend:
--: Not applicable

#
Corresponds to the numbers in Figure 8-1 through Figure 8-4.

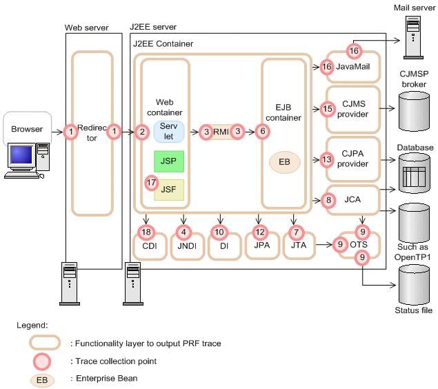
The following figures show the function layers for which the PRF trace is output, and the trace collection points for each system configuration.

Figure 8-1 Function layers and trace collection points (in the case of Web client configuration)

[Figure]

Figure 8-2 Function layers and trace collection points (in the case of a system for executing batch applications)

[Figure]

Figure 8-3 Function layers and trace collection points (in the case of EJB client, TPBroker client, or TPBroker OTM client configuration (CTM usage))

[Figure]

Figure 8-4 Functionality layers and trace collection points (In the TP1 inbound integrated function)

[Figure]

The trace collection points are divided in detail in each function layer, and the PRF trace collection level differs depending on the trace collection point. For details about trace collection points of each function layer, and the PRF trace collection level, see the references described in Table 8-2.

Reference note
Apart from the function layers described in Table 8-2, the PRF trace can be collected for some Application Server processes, component software, and related programs as well.
The following table describes the correspondence between the function layers other than those described in Table 8-2 for which the PRF trace can be collected, and their event IDs.

Table 8-3 Correspondence between the event IDs and function layers other than those described in table 8-2 for which the PRF trace can be collected

Event ID Function layer
0x9000 to 0x90FF
0xA400 to 0xA4FF
Cosminexus Web Services - Base
0x9100 to 0x91FF
  • uCosminexus TP1 Connector
  • TP1/Client/J
0x9200 to 0x92FF TP1/MQ Access
0x9300 to 0x93FF Cosminexus RM
0x9800 to 0x9B6E HCSC server
0x9E00 to 0x9EFF Service Coordinator Interactive Workflow
0x9F00 to 0x9FFF HCSC server (Object Access adapter)
0xA000 to 0xA0FF HCSC server (File adapter)
0xA200 to 0xA2FF HCSC server (Message Queue adapter)
0xAB00 to 0xABFF
0xAC00 to 0xACFF
HCSC server (FTP adapter)
0xA400 to 0xA4FF JAX-WS Engine
0xE000 to 0xE0FF Elastic Application Data store
Trace collection during the startup and termination of application methods

You can collect the trace information when an application method starts and terminates. The trace information that you can collect is as follows:

For details on the trace information, see 8.28 Trace collection points of an application.

Return codes for each trace

For an entrance trace, the return code of each trace is always output as 0.

For an exit trace and the trace after invocation, the return codes are output as follows:

Normal termination: 0

Abnormal termination: Other than 0

(2) PRF trace collection level

In the trace based performance analysis, you can specify the following four types of PRF trace collection levels to output the trace. The number of trace collection points differs depending upon the PRF trace level used. For details about the trace collection points, and PRF trace collection levels, see the references described in Table 8-2.

When the operation is performed by using the Management Server, the trace information is output by setting up a common level for all function layers, in the Easy Setup definition file.

In the next sections, the trace collection points for the trace collection levels Standard and Advanced are described. Because the Maintenance level is the level for collecting maintenance information, such as when a failure occurs, the information for this level need not usually be collected.