SCMRF Configuration Definition for Windows

[目次][用語][索引][前へ][次へ]

5.1.1 前提構成

<この項の構成>
(1) システム構成例
(2) プロセサの構成例

(1) システム構成例

構成例のシステムは,三つのプロセサから構成されるローカル複合プロセサシステムです。システム構成例を図5-1に示します。

図5-1 システム構成例

[図データ]

プロセサA,プロセサB,プロセサCはACODを経由して接続しています。接続するACODはAOMPLUSのACONARC制御機能で制御します。

(2) プロセサの構成例

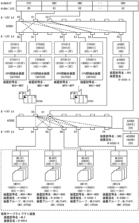
プロセサAの入出力構成・ACOD構成を図5-3〜図5-8に示します。なお,構成図は図5-2に示す形式で記述しています。

図5-2 構成図の記述形式

[図データ]

図5-3 プロセサAの構成(1/6)

[図データ]

図5-4 プロセサAの構成(2/6)

[図データ]

図5-5 プロセサAの構成(3/6)

[図データ]

図5-6 プロセサAの構成(4/6)

[図データ]

図5-7 プロセサAの構成(5/6)

[図データ]

図5-8 プロセサAの構成(6/6)

[図データ]