高信頼化システム監視機能 HAモニタ HP-UX編
![[目次]](FIGURE/CONTENT.GIF)
![[用語]](FIGURE/GLOSS.GIF)
![[索引]](FIGURE/INDEX.GIF)
![[前へ]](FIGURE/FRONT.GIF)
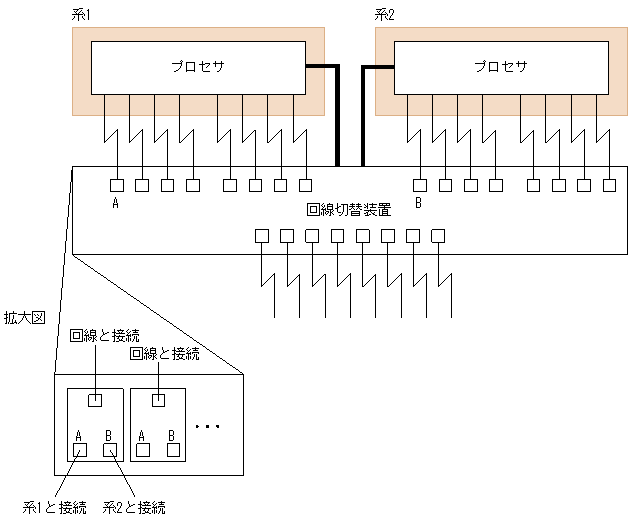
(1) 回線切替装置の接続例
プロセサと回線切替装置は,RS-232Cで接続します。回線切替装置を使用した通信回線との接続例を,次の図に示します。
図5-12 回線切替装置を使用した通信回線との接続例
![[図データ]](FIGURE/ZU05140H.GIF)
(2) 構成について考慮する点
回線切替装置を構成する場合,次の点を考慮してください。
- 一つの回線切替装置に対し複数の回線を接続する場合,各系からはそれぞれ同一の入力ポートに接続してください。
「5.5.5(1) 回線切替装置の接続例」で示す例のように,回線切替装置に入力ポートAと入力ポートBがあった場合,系1は常に入力ポートAに接続し,系2は常に入力ポートBに接続します。
- 複数の異なるサーバで系切り替え構成にする場合,各サーバが使用する回線は異なる回線切替装置に接続するよう通信回線を構成してください。
(3) 回線切替装置の設定内容
使用する回線切替装置によって,構成が異なります。
(a) 回線切替装置がHN-7601-8VまたはHN-7601-8Xの場合
使用する回線切替装置がHN-7601-8VまたはHN-7601-8Xの場合,系から接続するRS-232Cおよび回線を次のとおりに接続してください。
- RS-232CのRC0ポートを接続した系からは,回線の入力ポートAに回線を接続してください。
- RS-232CのRC1ポートを接続した系からは,回線の入力ポートBに回線を接続してください。
(b) 回線切替装置がHT-4990-KIRIKVまたはHT-4990-KIRIKXの場合
使用する回線切替装置がHT-4990-KIRIKVまたはHT-4990-KIRIKXの場合,次のとおりに設定してください。設定方法については,ハードウェアの添付資料を参照してください。
- CHを0に設定してください。
- ADDを000から998までの範囲で指定してください。
回線切替装置を2台以上連続して接続する場合は,それぞれ異なる値を指定してください。ADDに指定した値は,サーバ対応の環境設定のhlsオペランドで指定します。
All Rights Reserved. Copyright (C) 2005, 2007, Hitachi, Ltd.