ノンストップデータベース HiRDB Version 9 コマンドリファレンス(UNIX(R)用)

[目次][索引][前へ][次へ]

5.14.2 HiRDB/パラレルサーバの場合

<この項の構成>
(1) 表へのデータロード
(2) 横分割表への表単位のデータロード
(3) 横分割表へのRDエリア単位のデータロード
(4) LOB列がある表へのデータロード(LOB列構成基表とLOB列を同時にデータロード)
(5) LOB列がある表へのデータロード(列単位LOB入力ファイルを使用した場合)
(6) 繰返し列がある表へのデータロード
(7) プラグイン使用時の表へのデータロード
(8) 監査証跡表へのデータロード

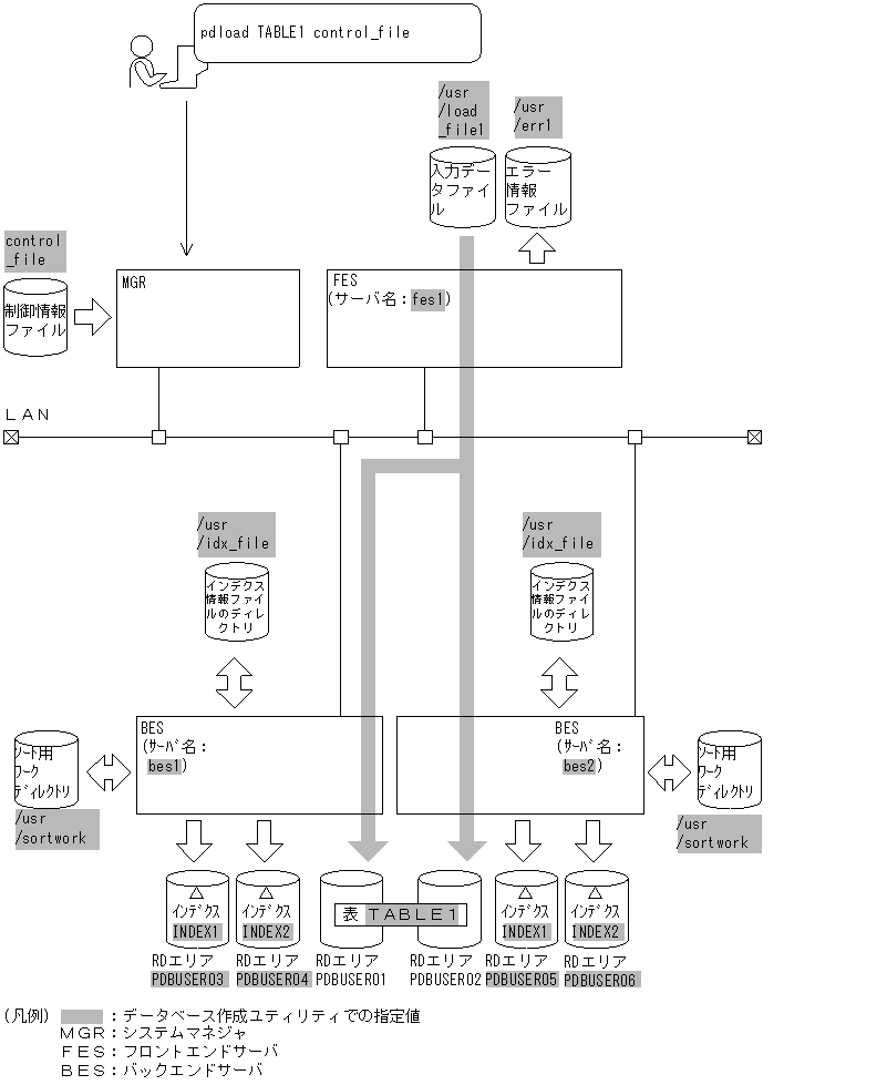
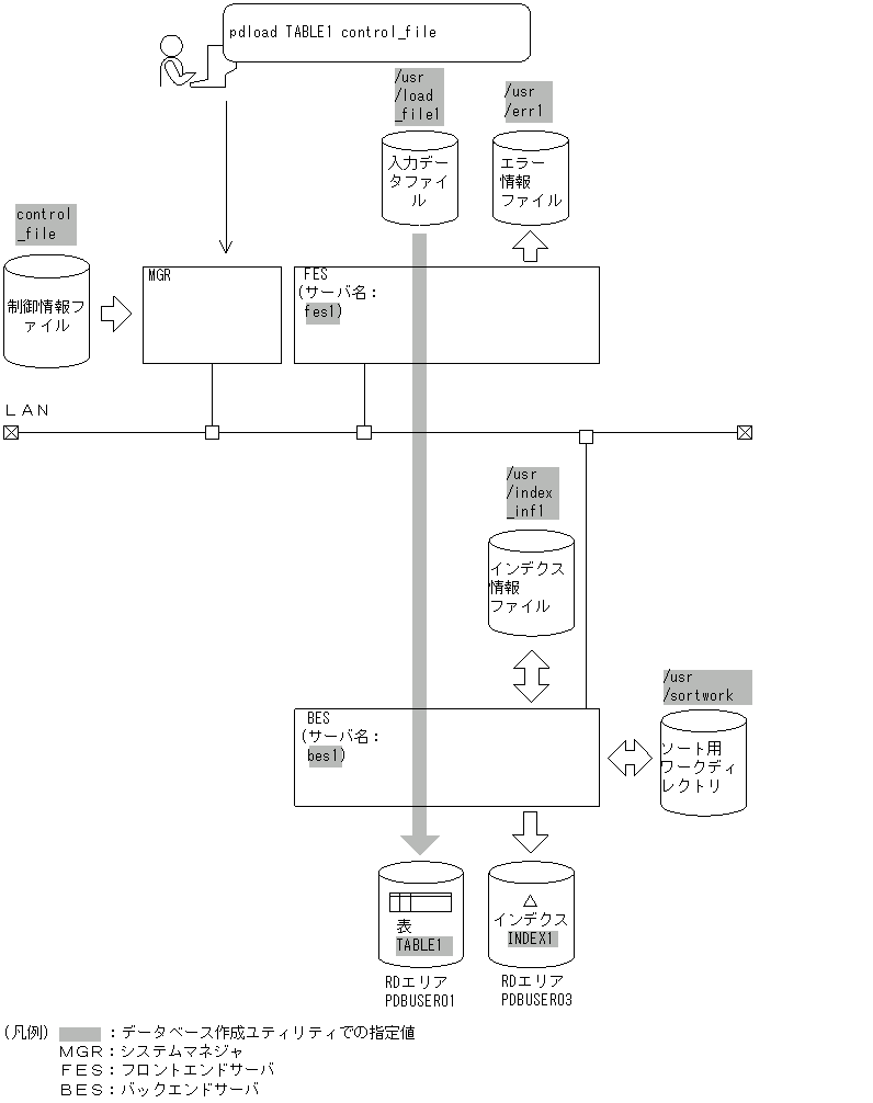
(1) 表へのデータロード

例10

表(TABLE1)にデータロードします。
なお,次の表及びインデクスが定義されているものとします。
  • 表の定義
  CREATE TABLE TABLE1(C1 INT NOT NULL,C2 CHAR(8),C3 INT)
  IN PDBUSER01
  • インデクスの定義
  CREATE INDEX INDEX1 ON TABLE1(C1) IN PDBUSER03

[概要]
[図データ]

[入出力ファイルとRDエリアの関連図]
[図データ]

[実行するコマンドの説明]
表(TABLE1)へデータロードします。
control_file:制御情報ファイルの名称

[制御情報ファイル(control_file)の内容]
 
 source fes1:/usr/load_file1 error=/usr/err1          1
 index INDEX1 /usr/index_inf1                         2
 sort bes1 /usr/sortwork                              3
 
[説明]
  1. 入力データファイル,及び入力データエラーがあった場合にエラーを出力するファイルの指定
    fes1:入力データファイルがあるサーバの名称
    /usr/load_file1:入力データファイルの名称
    /usr/err1:エラー情報ファイルの名称
  2. インデクス情報を出力するインデクス情報ファイルの指定
    INDEX1:インデクス識別子
    /usr/index_inf1:インデクス情報ファイルの名称
  3. ソート用ワークディレクトリの指定
    bes1:ソート用ワークファイルを作成するサーバの名称
    /usr/sortwork:ソート用ワークファイルを作成するディレクトリの名称

(2) 横分割表への表単位のデータロード

例11

横分割表(TABLE1)に,表単位にデータロードします。
なお,次の表及びインデクスが定義されているものとします。
  • 表の定義
  CREATE TABLE TABLE1(C1 INT NOT NULL,C2 CHAR(8),C3 INT)
               IN ((PDBUSER01) C1 > 10,(PDBUSER02))
  • インデクスの定義(分割キーインデクス)
  CREATE INDEX INDEX1 ON TABLE1(C1) IN ((PDBUSER03),(PDBUSER05))
  • インデクスの定義(非分割キーインデクス)
  CREATE INDEX INDEX2 ON TABLE1(C2,C1) IN ((PDBUSER04),(PDBUSER06))

[概要]
[図データ]

[入出力ファイルとRDエリアの関連図]
[図データ]

[実行するコマンドの説明]
横分割表(TABLE1)へ表単位にデータロードします。
control_file:制御情報ファイルの名称

[制御情報ファイル(control_file)の内容]
 
 source fes1:/usr/load_file1 error=/usr/err1          1
 idxwork bes1 /usr/idx_file                           2
 idxwork bes2 /usr/idx_file                           2
 sort bes1 /usr/sortwork                              3
 sort bes2 /usr/sortwork                              3
 
[説明]
  1. 入力データファイル,及び入力データエラーがあった場合にエラーを出力するファイルの指定
    fes1:入力データファイルがあるサーバの名称
    /usr/load_file1:入力データファイルの名称
    /usr/err1:エラー情報ファイルの名称
  2. インデクス情報ファイルを作成するディレクトリの指定
    bes1,bes2:インデクス情報ファイルを作成するサーバの名称
    /usr/idx_file:インデクス情報ファイルを作成するディレクトリの名称
  3. ソート用ワークディレクトリの指定
    bes1,bes2:ソート用ワークファイルを作成するサーバの名称
    /usr/sortwork:ソート用ワークファイルを作成するディレクトリの名称

(3) 横分割表へのRDエリア単位のデータロード

例12

横分割表(TABLE1)に,RDエリア単位にデータロードします。
なお,次の表及びインデクスが定義されているものとします。
  • 表の定義
  CREATE TABLE TABLE1(C1 INT NOT NULL,C2 CHAR(8),C3 INT)
               IN ((PDBUSER01) C1 > 10,(PDBUSER02))
  • インデクスの定義(分割キーインデクス)
  CREATE INDEX INDEX1 ON TABLE1(C1) IN ((PDBUSER03),(PDBUSER05))
  • インデクスの定義(非分割キーインデクス)
  CREATE INDEX INDEX2 ON TABLE1(C2,C1) IN ((PDBUSER04),(PDBUSER06))

[概要]
[図データ]

[入出力ファイルとRDエリアの関連図]
[図データ]
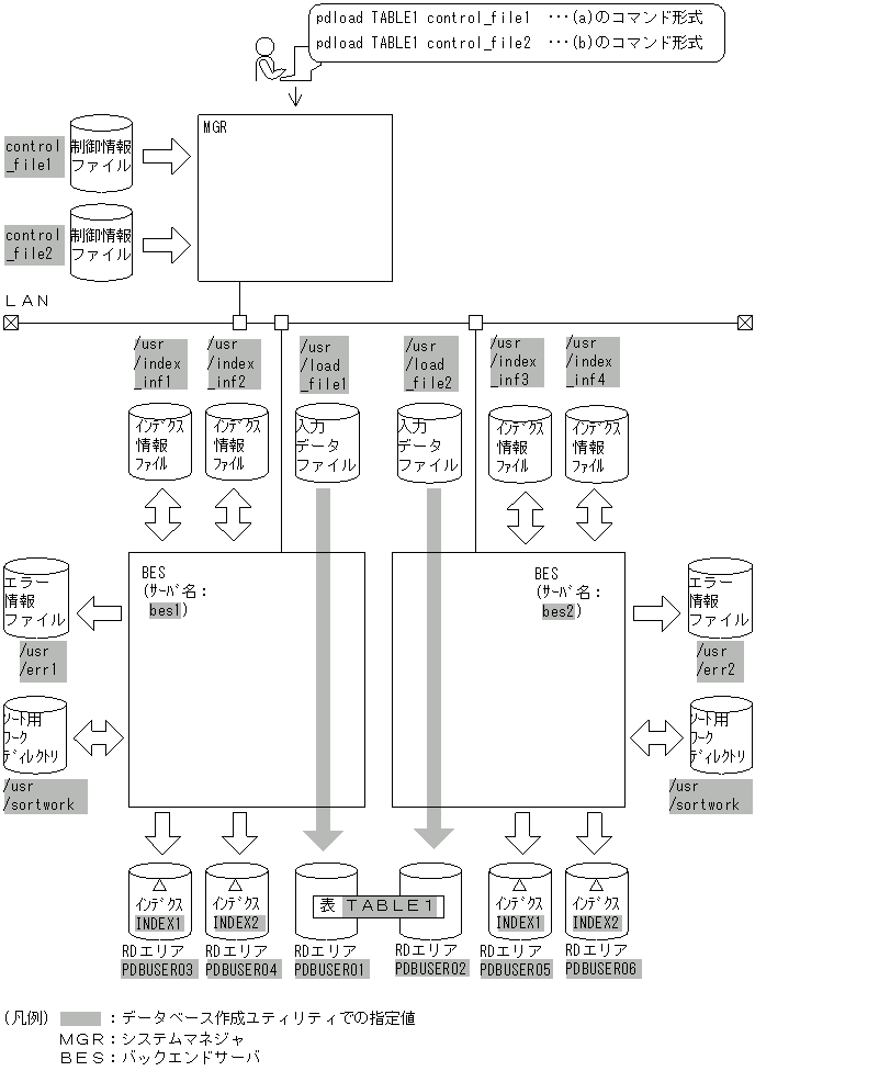
(a) PDBUSER01へのデータロード

[実行するコマンドの説明]
横分割表(TABLE1)へRDエリア(PDBUSER01)単位にデータロードします。
control_file1:制御情報ファイルの名称

[制御情報ファイル(control_file1)の内容]
 
 source PDBUSER01 bes1:/usr/load_file1 error=/usr/err1          1
 index INDEX1 PDBUSER03 /usr/index_inf1                         2
 index INDEX2 PDBUSER04 /usr/index_inf2                         2
 sort bes1 /usr/sortwork                                        3
 
[説明]
  1. 入力データファイル,及び入力データエラーがあった場合にエラーを出力するファイルの指定
    PDBUSER01:入力データを格納する表があるRDエリアの名称
    bes1:入力データファイルがあるサーバの名称
    /usr/load_file1:入力データファイルの名称
    /usr/err1:エラー情報ファイルの名称
  2. インデクス情報を出力するインデクス情報ファイルの指定
    INDEX1,INDEX2:インデクス識別子
    PDBUSER03,PDBUSER04:インデクスを格納するRDエリアの名称
    /usr/index_inf1,/usr/index_inf2:インデクス情報ファイルの名称
  3. ソート用ワークディレクトリの指定
    bes1:ソート用ワークファイルを作成するサーバの名称
    /usr/sortwork:ソート用ワークファイルを作成するディレクトリの名称
(b) PDBUSER02へのデータロード

[実行するコマンドの説明]
横分割表(TABLE1)へRDエリア(PDBUSER02)単位にデータロードします。
control_file2:制御情報ファイルの名称

[制御情報ファイル(control_file2)の内容]
 
 source PDBUSER02 bes2:/usr/load_file2 error=/usr/err2          1
 index INDEX1 PDBUSER05 /usr/index_inf3                         2
 index INDEX2 PDBUSER06 /usr/index_inf4                         2
 sort bes2 /usr/sortwork                                        3
 
[説明]
  1. 入力データファイル,及び入力データエラーがあった場合にエラーを出力するファイルの指定
    PDBUSER02:入力データを格納する表があるRDエリアの名称
    bes2:入力データファイルがあるサーバの名称
    /usr/load_file2:入力データファイルの名称
    /usr/err2:エラー情報ファイルの名称
  2. インデクス情報を出力するインデクス情報ファイルの指定
    INDEX1,INDEX2:インデクス識別子
    PDBUSER05,PDBUSER06:インデクスを格納するRDエリアの名称
    /usr/index_inf3,/usr/index_inf4:インデクス情報ファイルの名称
  3. ソート用ワークディレクトリの指定
    bes2:ソート用ワークファイルを作成するサーバの名称
    /usr/sortwork:ソート用ワークファイルを作成するディレクトリの名称

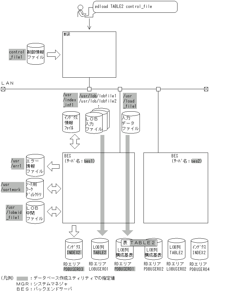
(4) LOB列がある表へのデータロード(LOB列構成基表とLOB列を同時にデータロード)

例13


LOB列がある表(TABLE2)に対して,RDエリア単位にデータロードします。このとき,LOB列構成基表とLOB列を同時にデータロードします。
なお,次の表が定義されているものとします。
  • 表の定義
  CREATE TABLE TABLE2(C1 INT NOT NULL,C2 BLOB IN ((LOBUSER01),(LOBUSER02)))   
               IN ((PDBUSER01) C1 > 10,(PDBUSER02))
  • インデクスの定義(分割キーインデクス)
  CREATE INDEX INDEX2 ON TABLE2(C1) IN((PDBUSER03),(PDBUSER04))

[概要]
[図データ]

[入出力ファイルとRDエリアの関連図]
[図データ]

[実行するコマンドの説明]
LOB列がある表(TABLE2)へRDエリア(PDBUSER01,LOBUSER01)単位にデータロードします。
control_file:制御情報ファイルの名称

[制御情報ファイル(control_file)の内容]
 
 source PDBUSER01 bes1:/usr/load_file1 error=/usr/err1          1
 index INDEX2 PDBUSER03 /usr/index_inf1                         2
 sort bes1 /usr/sortwork                                        3
 lobdata /usr/lob                                               4
 lobmid /usr/lobmid_file1                                       5
 
[説明]
  1. 入力データファイル,及び入力データにエラーがあった場合にエラーを出力するファイルの指定
    PDBUSER01:入力データを格納する表があるRDエリアの名称
    bes1:入力データファイルがあるサーバの名称
    /usr/load_file1:入力データファイルの名称
     入力データファイルの内容(DAT形式)
      1,lobfile1
      2,lobfile2
      3,lobfile3
    /usr/err1:エラー情報ファイルの名称
  2. インデクス情報を出力するインデクス情報ファイルの指定
    INDEX2:インデクス識別子
    PDBUSER03:インデクスを格納するRDエリアの名称
    /usr/index_inf1:インデクス情報ファイルの名称
  3. ソート用ワークディレクトリの指定
    bes1:ソート用ワークファイルを作成するサーバの名称
    /usr/sortwork:ソート用ワークファイルを作成するディレクトリの名称
  4. LOB入力ファイルのディレクトリの指定
    /usr/lob:LOB入力ファイルのパス名
  5. LOB列構成基表データロード時にLOB列のデータロードに必要な情報を出力するファイルの指定(これをLOB列のデータロード時にそのまま使用します)
    /usr/lobmid_file1:LOB中間ファイルの名称

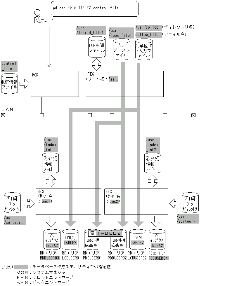
(5) LOB列がある表へのデータロード(列単位LOB入力ファイルを使用した場合)

例14

LOB列がある表(TABLE2)にデータロードします。このとき,LOB列構成基表とLOB列を同時にデータロードし,LOB列へのデータ格納は列単位LOB入力ファイルから行います。
なお,次の表及びインデクスが定義されているものとします。
  • 表の定義
  CREATE TABLE TABLE2(C1 INT NOT NULL,C2 BLOB IN ((LOBUSER01),(LOBUSER02)))   
               IN ((PDBUSER01) C1 > 10,(PDBUSER02))
  • インデクスの定義(分割キーインデクス)
  CREATE INDEX INDEX2 ON TABLE2(C1) IN((PDBUSER03),(PDBUSER04))

[概要]
[図データ]

[入出力ファイルとRDエリアの関連図]
[図データ]

[実行するコマンドの説明]
LOB列がある表(TABLE2)へデータロードします。
-k c:列単位LOB入力ファイルを使用する場合の指定
control_file:制御情報ファイルの名称

[制御情報ファイル(control_file)の内容]
 
 source fes1:/usr/load_file1                          1
 index INDEX2 PDUSER03 /usr/index_inf1                2
 index INDEX2 PDUSER04 /usr/index_inf2                2
 sort bes1 /usr/sortwork                              3
 sort bes2 /usr/sortwork                              3
 lobdata /usr/collob                                  4
 lobcolumn collob_file                                5
 lobmid /usr/lobmid_file                              6
 
[説明]
  1. 入力データファイルの指定
    fes1:入力データファイルがあるサーバの名称
    /usr/load_file1:入力データファイルの名称
  2. インデクス情報を出力するインデクス情報ファイルの指定
    INDEX2:インデクス識別子
    PDUSER03,PDUSER04:インデクスが格納されているRDエリアの名称
    /usr/index_inf1,/usr/index_inf2:インデクス情報ファイルの名称
  3. ソート用ワークディレクトリの指定
    bes1,bes2:ソート用ワークファイルを作成するサーバの名称
    /usr/sortwork:ソート用ワークファイルを作成するディレクトリの名称
  4. 列単位LOB入力ファイルがあるディレクトリの指定
    /user/collob:列単位LOB入力ファイルがあるディレクトリの名称
  5. 列単位LOB入力ファイルの指定
    collob_file:列単位LOB入力ファイルの名称
  6. LOB中間ファイルの指定
    /usr/lobmid_file:LOB中間ファイルの名称

(6) 繰返し列がある表へのデータロード

例15

繰返し列がある表(成績表)に,表単位にデータロードします。このとき,クラスタキー順のチェックをしないようにします。
なお,次の表が定義されているものとします。
  • 表の定義
  CREATE TABLE 成績表
      (出席番号 CHAR(6) UNIQUE CLUSTER KEY IN ((PDUSER03),(PDUSER04)),
       氏名 NCHAR(10),
       科目名 NCHAR(8) ARRAY[5],
       成績 INT ARRAY[5])
    IN ((PDUSER01) 出席番号 <= '1Z9999',(PDUSER02))

[概要]
[図データ]

[入出力ファイルとRDエリアの関連図]
[図データ]

[入力データファイルの内容(DAT形式)]
[図データ]

[実行するコマンドの説明]
繰返し列がある表(成績表)へ表単位にデータロードします。
-x:クラスタキー順のチェックをしない指定
control_file:制御情報ファイルの名称

[制御情報ファイル(control_file)の内容]
 
 source fes1:/usr/arrload_file1                1
 idxwork bes1 /usr/idx_file                    2
 idxwork bes2 /usr/idx_file                    2
 sort bes1 /usr/sortwork                       3
 sort bes2 /usr/sortwork                       3
 array elmtype=ff nullset=c                    4
 
[説明]
  1. 入力データファイルの指定
    fes1:入力データファイルがあるサーバの名称
    /usr/arrload_file1:入力データファイルの名称
  2. インデクス情報ファイルを作成するディレクトリの指定
    bes1,bes2:インデクス情報ファイルを作成するサーバの名称
    /usr/idx_file:インデクス情報ファイルを作成するディレクトリの名称
  3. ソート用ワークディレクトリの指定
    bes1,bes2:ソート用ワークファイルを作成するサーバの名称
    /usr/sortwork:ソート用ワークファイルを作成するディレクトリの名称
  4. 繰返し列がある表にデータロードする場合の指定
    ff:配列データ形式
    c:該当する要素に何も格納しない場合の指定

(7) プラグイン使用時の表へのデータロード

例16

抽象データ型(SGMLTEXT)がある表(TBL01)にデータロードします。この例では,HiRDB Text Search Plug-inを使用した場合について説明します。
なお,次の表及びインデクスが定義されているものとします。
  • 表の定義
  CREATE TABLE TBL01(C1 INTEGER,C2 VARCHAR(10),C3 SGMLTEXT ALLOCATE
                         (SGMLTEXT IN LOBUSER01) PLUGIN …) 
                        IN PDBUSER01
  • プラグインインデクスの定義
  CREATE INDEX INDEX1 USING TYPE NGRAM ON TBL01(C3) IN PDBUSER02
また,SGMLTEXT型のコンストラクタ関数の内容を次に示します。
  • 関数名:SGMLTEXT 入力:BLOB 出力:SGMLTEXT型

[概要]
[図データ]

[入出力ファイルとRDエリアの関連図]
[図データ]

[入力データファイルの内容(DAT形式)]
 
 1,"HiRDB",/usr/lob/file01
 -1,"",/usr/lob/file02
 999,"HITACHI",/usr/lob/file03
        :
 

[実行するコマンドの説明]
抽象データ型がある表(TBL01)へデータロードします。
column_inf:列構成情報ファイルの名称
control_file:制御情報ファイルの名称

[列構成情報ファイル(column_inf)の内容]
 
 C1                                     1
 C2                                     1
 C3,func=(SGMLTEXT,param=blob)          1,2
 
[説明]
  1. 入力データをTBL01の列(C1,C2,C3)の順に格納
  2. コンストラクタ関数を呼び出して,抽象データ型の列(C3)にデータを格納
    SGMLTEXT:コンストラクタ関数名
    blob:コンストラクタ関数に渡す引数の型

[制御情報ファイル(control_file)の内容]
[図データ]
[説明]
  1. 入力データファイルの指定
    fes1:入力データファイルがあるサーバの名称
    /usr/load_file1:入力データファイルの名称
  2. LOB入力ファイルの指定

例17

抽象データ型(GEOMETRY)がある表(TBL02)にデータロードします。
なお,次の表が定義されているものとします。
  • 表の定義
  CREATE TABLE TBL02(C1 INTEGER,C2 DECIMAL(7,0),C3 GEOMETRY) 
                        IN PDBUSER02
また,GEOMETRY型のコンストラクタ関数の内容を次に示します。
  • 関数名:GEOMETRY 入力:VARCHAR 出力:GEOMETRY型

[概要]
[図データ]

[入出力ファイルとRDエリアの関連図]
[図データ]

[入力データファイルの内容(固定長データ形式)]
[図データ]

[実行するコマンドの説明]
抽象データ型がある表(TBL02)へデータロードします。
column_inf2:列構成情報ファイルの名称
control_file2:制御情報ファイルの名称

[列構成情報ファイル(column_inf2)の内容]
 
 C1,type=integer                                            1
 C2,type=dec(7,0)                                           2
 C3,func=(GEOMETRY,param=varchar,type=varchar(10))          3
 
[説明]
  1. 列(C1)にINTEGERのデータを格納
  2. 列(C2)にDECIMAL(7,0)のデータを格納
  3. 抽象データ型の列(C3)に,入力パラメタがvarcharのコンストラクタ関数GEOMETRYにvarchar(10)のデータを渡して生成した値を格納
    GEOMETRY:コンストラクタ関数名
    varchar:コンストラクタ関数に渡す引数の型

[制御情報ファイル(control_file2)の内容]
 
 source fes1:/usr/load_file2                     1
 
[説明]
  1. 入力データファイルの指定
    fes1:入力データファイルがあるサーバの名称
    /usr/load_file2:入力データファイルの名称

例18

抽象データ型(SGMLTEXT)とLOB列がある表(TBL03)にデータロードします。
なお,次の表及びインデクスが定義されているものとします。
  • 表の定義
  CREATE TABLE TBL03(C1 INTEGER,C2 BLOB(4096) IN (LOBUSER01),
                      C3 SGMLTEXT ALLOCATE
                         (SGMLTEXT IN (LOBUSER02) PLUGIN …) 
                        IN PDBUSER03
  • プラグインインデクスの定義
  CREATE INDEX INDEX1 USING TYPE NGRAM ON TBL03(C3) IN PDBUSER04
また,SGMLTEXT型のコンストラクタ関数の内容を次に示します。
  • 関数名:SGMLTEXT 入力:BLOB 出力:SGMLTEXT型

[概要]
[図データ]

[入出力ファイルとRDエリアの関連図]
[図データ]

[入力データファイルの内容(バイナリ形式)]
[図データ]

[実行するコマンドの説明]
抽象データ型がある表(TBL03)へデータロードします。
-k v:LOB列への格納データはLOB入力ファイル名を入力データファイルに記述し,LOBパラメタは直接入力データファイルに記述する場合の指定
control_file3:制御情報ファイルの名称

[制御情報ファイル(control_file3)の内容]
 
 source fes1:/usr/load_file3                  1
 lobmid /usr/mid_file                         2
 lobdata /usr                                 3
 
[説明]
  1. 入力データファイルの指定
    fes1:入力データファイルがあるサーバの名称
    /usr/load_file3:入力データファイルの名称
  2. LOB中間ファイルの指定
    /usr/mid_file:LOB中間ファイルの名称
  3. LOB入力ファイルの指定
    /usr:LOB入力ファイルがあるディレクトリ名

例19

抽象データ型(SGMLTEXT)とLOB列がある表(TBL04)にデータロードします。このとき,先にLOB列構成基表と抽象データ型へデータロードして,その後にLOB列にデータロードをします。LOB列へデータロードするときは,各バックエンドサーバで並列に実行します。
なお,次の表及びインデクスが定義されているものとします。
  • 表の定義
  CREATE TABLE TBL04(C1 INTEGER,C2 BLOB(100) IN ((LOB11),(LOB12)),
                     C3 SGMLTEXT ALLOCATE
                         (SGMLTEXT IN ((LOB21),(LOB22)) PLUGIN …))
                        IN ((PDBUSER01) C1 > 1000,(PDBUSER02))
  • プラグインインデクスの定義
  CREATE INDEX INDEX1 USING TYPE NGRAM ON TBL04(C3)
      IN ((PDBUSER03),(PDBUSER04))
また,SGMLTEXT型のコンストラクタ関数の内容を次に示します。
  • 関数名:SGMLTEXT 入力:BLOB 出力:SGMLTEXT型

[概要]
[図データ]

[入出力ファイルとRDエリアの関連図]
[図データ]
(a) LOB列構成基表と抽象データ型へのデータロード

[実行するコマンドの説明]
抽象データ型がある表(TBL04)の,LOB列構成基表と抽象データ型へデータロードします。
-b:
入力データファイルがバイナリ形式の場合の指定
-k v:
LOB列への格納データはLOB入力ファイル名を入力データファイルに記述し,LOBパラメタは直接入力データファイルに記述する場合の指定
control_file1:
制御情報ファイルの名称

[制御情報ファイル(control_file1)の内容]
 
 source fes1:/usr/load_file1 err=/usr/err          1
 idxwork bes1 /usr/idx_file                        2
 idxwork bes2 /usr/idx_file                        2
 lobmid /usr/lobmid                                3
 
[説明]
  1. 入力データファイルの指定
    fes1:入力データファイルがあるサーバの名称
    /usr/load_file1:入力データファイルの名称
    /usr/err:エラー情報ファイルの名称
  2. インデクス情報ファイルを作成するディレクトリの指定
    bes1,bes2:インデクス情報ファイルを作成するサーバの名称
    /usr/idx_file:インデクス情報ファイルを作成するディレクトリの名称
  3. LOB中間ファイルの指定
    /usr/lobmid:LOB中間ファイルの名称
(b) LOB列へのデータロード

[実行するコマンドの説明]
抽象データ型がある表(TBL04)の,LOB列へデータロードします。このとき,各バックエンドサーバで並列にデータロードします。
-b:
入力データファイルがバイナリ形式の場合の指定
-k v:
LOB列への格納データはLOBデータごとにLOB入力ファイルを用意し,抽象データ型列に格納する値を生成するコンストラクタ関数の入力パラメタとなるデータは入力データファイルに格納する場合の指定
control_file2,control_file3:
制御情報ファイルの名称

[制御情報ファイル(control_file2)の内容]
 
 lobdata /usr/lob1                                      1
 lobmid LOB11 fes1:/usr/lobmid error=/usr/err1          2
 
[説明]
  1. LOB入力ファイルの指定
    /usr/lob1:LOB入力ファイルがあるディレクトリの名称
  2. LOB中間ファイルの指定
    LOB11:LOB列があるユーザLOB用RDエリアの名称
    fes1:LOB中間ファイルがあるサーバの名称
    /usr/lobmid:LOB中間ファイルの名称
    /usr/err1:エラー情報ファイルの名称

[制御情報ファイル(control_file3)の内容]
 
 lobdata /usr/lob2                                      1
 lobmid LOB12 fes1:/usr/lobmid error=/usr/err2          2
 
[説明]
  1. LOB入力ファイルの指定
    /usr/lob2:LOB入力ファイルがあるディレクトリの名称
  2. LOB中間ファイルの指定
    LOB12:LOB列があるユーザLOB用RDエリアの名称
    fes1:LOB中間ファイルがあるサーバの名称
    /usr/lobmid:LOB中間ファイルの名称
    /usr/err2:エラー情報ファイルの名称

(8) 監査証跡表へのデータロード

例20

ユニット1(un01)のバックエンドサーバ(bes1)に定義した監査証跡表(SQL_AUDIT_TRAIL)に対して,ユニット2(un02)にあるデータロード待ち状態の監査証跡ファイルをデータロードします。

[概要]
[図データ]

[入出力ファイルとRDエリアの関連図]
[図データ]

[実行するコマンドの説明]
監査証跡表(SQL_AUDIT_TRAIL)に対して,データロード待ちの監査証跡ファイル(/hirdb/audit/un02)をデータロードします。
-b及び-W:監査証跡表へデータロードする場合に必ず指定するオプションです。
control_file:制御情報ファイルの名称

[制御情報ファイル(control_file)の内容]
 
 source fes2:(uoc)                                  1
 srcuoc param='dir=/hirdb/audit/un02,file=all'      2
 
[説明]
  1. データロード対象となる監査証跡ファイルがあるユニットの任意のサーバ名称(fes2)と,監査証跡データ登録UOCの指定
  2. 監査証跡データ登録UOCに渡すパラメタの指定
    dir=/hirdb/audit/un02:監査証跡ファイルのHiRDBファイル名
    file=all:データロード待ちのすべての監査証跡ファイルを対象とするため,allを指定