Scalable Database Server, HiRDB Version 8 System Operation Guide

[Contents][Index][Back][Next]

8.1.3 Selecting a message log output method (applicable only to a HiRDB/Parallel Server)

If the system manager unit shuts down or a communication error occurs between the system manager unit and other units, message logs cannot be output normally and the following problems may arise:

To avoid these problems, you should consider use of message log output dispersion.

Reference note
For a HiRDB/Parallel Server, message log files are output normally to the server machine where the system manager is defined.
Organization of this subsection
(1) Message log output dispersion
(2) Criteria for selecting a message log output method
(3) Environment settings
(4) Notes on selecting message log output dispersion

(1) Message log output dispersion

For a HiRDB/Parallel Server, you can select one of the following message log output methods (message log output destinations):

  1. Message logs are output to the message log files and to syslogfile of the server machine where the system manager is defined.
  2. Message logs are output to the message log files and to syslogfile of a server machine. In this case, a message is output to the server machine that issued the message.

Normally, message logs are output using method 1. If desirable, you may change to method 2. Method 2 is called message log output dispersion.

You use the pd_mlg_msg_log_unit operand to select the desired method. If this operand is omitted, the default is method 1.

Figures 8-2 and 8-3 show the message output methods.

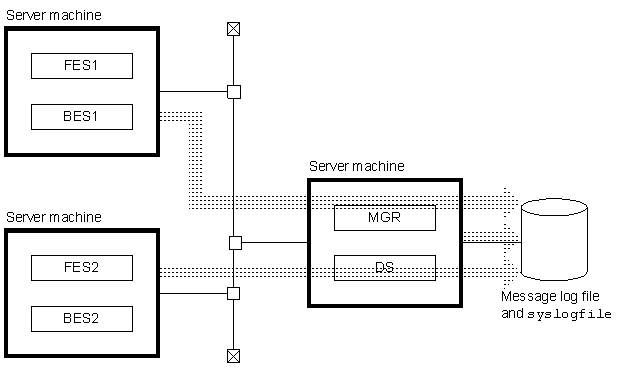
Figure 8-2 Normal message log output method (method 1)

[Figure]

Figure 8-3 Message log output method when message log output dispersion is used (method 2)

[Figure]

Reference note
When you use the pdcat command to view message logs, you will view the message logs of the unit in which the pdcat command is executed. For this reason, if message log output dispersion is used, you must execute the pdcat command at the unit where the desired message logs to be viewed are located.

(2) Criteria for selecting a message log output method

Table 8-1 shows the message log output methods; Table 8-2 shows the advantages and disadvantages of each message log output method.

Table 8-1 Message log output methods

Method selected* Condition Message log output destination
Method 1 (manager) During normal operation Message logs are output to the message log files and to syslogfile of the server machine where the system manager is defined.
When an error or communication error occurs at the manager unit Message logs are output to syslogfile of each server machine. Only some message log information is output. Also, the correct message logs may not be output.
Method 2 (local) During normal operation Message logs are output to the message log files and to syslogfile of each server machine.
When an error or communication error occurs at the manager unit

* The value in parentheses ( ) is the value specified in the pd_mlg_msg_log_unit operand.

Table 8-2 Advantages and disadvantages of the message log output methods

Method selected* Advantage Disadvantage
Method 1 (manager) Because message logs can be centrally managed from the server machine of the system manager, the job of monitoring messages is simpler than when local is specified. If the system manager unit shuts down or a communication error occurs between the system manager unit and other units, the correct message logs may not be output.
Method 2 (local) Correct message logs are output even if the system manager unit shuts down or a communication error occurs between the system manager unit and other units. Because message logs are output to each server machine, the job of monitoring messages is more complicated than when manager is specified.

* The value in parentheses ( ) is the value specified in the pd_mlg_msg_log_unit operand.

(3) Environment settings

The following shows the environment settings for using message log output dispersion:

Procedure
  1. Because message log files are created in each server machine, you must re-evaluate your estimate of message log file size. Specify the revised result in the pd_mlg_file_size operand.
  2. Specify local in the pd_mlg_msg_log_unit operand.
  3. Synchronize the time-zone settings in all server machines.
    Reference note
    If the time-zone settings are not synchronized among the server machines, the times in the additional information in the message logs that are output to the various server machines will be different. Therefore, when you view the message logs, you will have to take into account the time-zone differences among the server machines.

(4) Notes on selecting message log output dispersion