OpenTP1 Version 7 System Definition

[Contents][Index][Back][Next]

8.1 Examples of defining an OpenTP1 system configuration

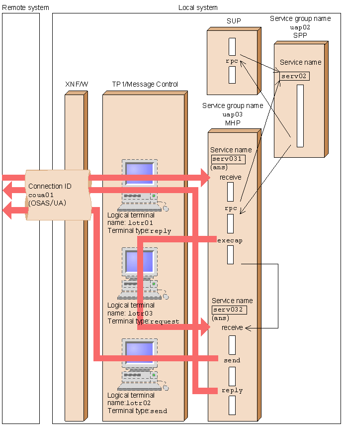
The following figure illustrates the communication environment and UAP configuration for the definition examples in this section.

Figure 8-1 Communication environment and UAP configuration of definition examples

[Figure]

Coding examples for definitions follow:

#############################################
# System environment definition
# File name: env
#
#############################################
 
set mode_conf            = AUTO   # System start method
set static_shmpool_size  = 6000   # Total amount of static 
                                  # shared memory
set dynamic_shmpool_size = 500    # Total amount of dynamic
                                  # shared memory during
                                  # maximum usage
set shmpool_attribute    = free   # Whether memory in the 
                                  # shared memory pool should
                                  # be fixed
putenv DCCONFPATH /qa3d/qa4g10/makai3g  # Definition file
                                  # storage directory 
putenv SHELL /bin/sh              # Shell during user
                                  # environment setup
                                  # command startup
 
### End of system environment definition ################
 
#############################################
# System service configuration definition
# File name: sysconf
#
#############################################
 
set uap_conf = Y            # Whether to execute user server
set dam_conf = Y            # Whether to use DAM service
set que_conf = Y            # Whether to use message queue
                            # service
set tam_conf = Y            # Whether to use TAM service
 
#----------System service start------------#
dcsvstart -m _mutest1       # Name of MCF service to start
 
### End of system service configuration ########
 
#############################################
# User service configuration definition
# File name: usrconf
#
#############################################
 
#-----------User server start---------------#
dcsvstart -u exuap02        # Name of system service to start
 
dcsvstart -u exuap03        # Name of system service to start
 
###  End of user service configuration definition##########
 
#############################################
# System common definition
# File name: betranrc
#
#############################################
 
set watch_time = 240               # Maximum time to wait for
                                   # RPC response
set name_port  = 10004             # Name service port number
set system_id  = o1                # OpenTP1 identifier
set all_node   = ft6101,ft6102     # All node names where name
                                   # service exists
set node_id    = n d01             # Node identifier
putenv LANG ja_JP.SJIS             # LANG setting
 
### End of system common definition ################
 
#############################################
# Lock service definition
# File name: lck
#
#############################################
 
set lck_limit_foruser = 64         # Maximum number of user
                                   # server concurrent lock
                                   # requests
set lck_limit_fordam  = 64         # Maximum number of DAM
                                   # service concurrent lock
                                   # requests
set lck_limit_fortam  = 64         # Maximum number of TAM
                                   # service concurrent
                                   # lock requests
set lck_wait_timeout  = 30         # Lock waiting timeout time
set lck_deadlock_info = Y          # Whether to output 
                                   # deadlock information
 
### End of lock service definition ##############
 
 
#############################################
# Timer service definition
# File name: tim
#
#############################################
 
set tim_watch_count = 128          # Maximum time check
                                   # service count
 
### End of timer service definition ##############
 
 
#############################################
# Name service definition
# File name: nam
#
#############################################
 
set name_total_size = 64           # Service information area
                                   # size
set name_cache_size = 16           # Service information
                                   # cache area size
 
### End of name service definition ##############
 
#############################################
# Process service definition
# File name: prc
#
#############################################
 
set prc_process_count = 100        # Maximum number of
                                   # concurrently active
                                   # server processes
 
#---------User server path specification-------------#
prcsvpath /BeTRAN/aplib            # User server and command
                                   # path name
 
### End of process service definition ############
 
#############################################
# Schedule service definition
# File name: scd
#
#############################################
 
set scd_server_count = 32          # Maximum number of user
                                   # servers
 
### End of schedule service definition ########
 
#############################################
# Transaction service definition
# File name: trn
#
#############################################
 
set trn_tran_process_count = 20 # Number of concurrently
                                # active transaction branches
set trn_recovery_process_count = 2
                                # Parallel recovery process
                                # count
set trn_expiration_time    = 60 # Transaction branch expiry
                                # time
set trn_tran_statistics    = N  # Whether to collect
                                # statistical information
 
### End of transaction service definition ####
 
 
#############################################
# Status service definition
# File name: sts
#
#############################################
 
set sts_file_name_1 = "stsfil01","/dev/rdsk/rhd111/stsfil01", \
                                 "/dev/rdsk/rhd112/stsfil02"
        # Logical file name, system A status file name,
        # system B status file name
set sts_file_name_2 = "stsfil02","/dev/rdsk/rhd111/stsfil03", \
                                "/dev/rdsk/rhd112/stsfil04"
        # Logical file name, system A status file name,
        # system B status file name
set sts_initial_error_switch = stop   # Action to be taken
                                      # when error occurs in
                                      # status service
  
### End of status service definition ##########
 
#############################################
# Journal service definition
# File name: jnl
#
#############################################
 
#------Journal-related file specification--------#
jnldfsv   -r sjs -c cdtjl,cdmcf
                     # -r system journal service definition
                     # file name
                     # -c check point dump service definition
                     # file name
 
### End of journal service definition ##########
 
#############################################
# System journal service definition
# File name: sjs
#
#############################################
 
set jnl_max_datasize   = 32000        # Maximum record data
                                      # length
set jnl_cdinterval     = 1000         # Journal block count
set jnl_rerun_swap     = N
                    # Whether to swap journals at system
                    # restart
set jnl_dual           = Y    # Whether to dualize journal
                              # file
set jnl_singleoperation = N   # Whether to swap system when
                              # one system cannot be used
set jnl_rerun_reserved_file_open = N
                    # Whether to open reserved file during
                    # full recovery
 
#-Journal-related file group specification (1)--#
jnladdfg  -g jnlgrp01 ONL
                    # Name of file group comprising system
                    # journal
 
#---Journal-related physical file specification (1)----#
jnladdpf  -g jnlgrp01                        \
          -a /dev/rdsk/rhd111/jnlf011        \
          -b /dev/rdsk/rhd112/jnlf012
                            # -g Corresponding file group name
                            # -a Physical file name
                            # -b Physical file name
 
#-Journal-related file group specification (2)-#
jnladdfg  -g jnlgrp02 ONL
 
#--Journal-related physical file specification (2)----#
jnladdpf  -g jnlgrp02                       \
          -a /dev/rdsk/rhd111/jnlf021       \
          -b /dev/rdsk/rhd112/jnlf022
 
#-Journal-related file group specification (3)-#
jnladdfg  -g jnlgrp03 ONL
 
#--Journal-related physical file specification (3)----#
jnladdpf  -g jnlgrp03                       \
          -a /dev/rdsk/rhd111/jnlf031       \
          -b /dev/rdsk/rhd112/jnlf032
 
#-Journal-related file group specification (4)-#
jnladdfg  -g jnlgrp04 ONL
 
#--Journal-related physical file specification (4)----#
jnladdpf  -g jnlgrp04                       \
          -a /dev/rdsk/rhd111/jnlf041       \
          -b /dev/rdsk/rhd112/jnlf042
 
### End of system journal service definition ##
 
#############################################
# Checkpoint dump service definition
# File name: cdtjl
#
#############################################
 
set jnl_objservername = "_tjl"  # Target system service name
set jnl_max_datasize  = 32768   # Checkpoint dump buffer
                                # length
set assurance_count   = 2       # Guaranteed generation count
                                # is set to 2
 
#-Journal-related file group specification (1)-#
jnladdfg  -g cpdgrp01 ONL
                    # Name of file group comprising checkpoint
                    # dump
#--Journal-related physical file specification (1)----#
jnladdpf  -g cpdgrp01                       \
          -a /dev/rdsk/rhd111/cpdf01
                            # -g corresponding file group name
                            # -a physical file name
 
#-Journal-related file group specification (2)-#
jnladdfg  -g cpdgrp02 ONL
 
#--Journal-related physical file specification (2)----#
jnladdpf  -g cpdgrp02                       \
          -a /dev/rdsk/rhd111/cpdf02
 
#-Journal-related file group specification (3)-#
jnladdfg -g cpdgrp03 ONL
 
#--Journal-related physical file specification (3)----#
jnladdpf -g cpdgrp03                        \
         -a /dev/rdsk/rhd111/cpdf03
 
## End of checkpoint dump service definition
 
#############################################
# checkpoint dump service definition
# File name: cdmcf
#
#############################################
 
set jnl_objservername = "_mutest1"     # Target system service
                                       # name
set jnl_max_datasize  = 32768   # Buffer size for acquiring
                                # checkpoint dump
set assurance_count = 2         # Guaranteed generation
                                # count is set to 2
 
#-Journal-related file group specification (1)--#
jnladdfg  -g cpdgrp04 ONL
                    # Name of file group comprising checkpoint
                    # dump
 
#--Journal-related physical file specification (1)----#
jnladdpf  -g cpdgrp04                       \
          -a /dev/rdsk/rhd111/cpdf04
                            # -g Corresponding file group name
                            # -a Physical file name
 
#-Journal-related file group specification (2)--#
jnladdfg  -g cpdgrp05 ONL
 
#--Journal-related physical file specification (2)----#
jnladdpf  -g cpdgrp05                       \
          -a /dev/rdsk/rhd111/cpdf05
 
#-Journal-related file group specification (3)-#
jnladdfg -g cpdgrp06 ONL
 
#--Journal-related physical file specification (3)----#
jnladdpf -g cpdgrp06                        \
         -a /dev/rdsk/rhd111/cpdf06
 
## End of checkpoint dump service definition
 
#############################################
# Log service definition
# File name: log
#
#############################################
 
set log_filesize        = 100   # Maximum message log file
                                # capacity
set log_msg_console     = Y     # Whether to use real time
                                # output facility
set log_msg_allno       = N     # Whether to add system-
                                # specific sequence numbers
set log_msg_prcid       = N     # Whether to add process ID of
                                # requesting process
set log_msg_prcno       = N     # Whether to add process-
                                # specific sequence numbers
set log_msg_sysid       = Y     # Whether to add OpenTP1
                                # identifier
set log_msg_date        = Y     # Whether to add output
                                # request date
set log_msg_time        = Y     # Whether to add output
                                # request time
set log_msg_hostname    = Y     # Whether to add name of
                                # requesting host
set log_msg_pgmid       = Y     # Whether to add ID of
                                # requesting program
set log_netm_out        = N     # Whether to output message
                                # log to NETM
set log_netm_allno      = N     # Whether to add system-
                                # specific sequence numbers
set log_netm_prcid      = N     # Whether to add process ID of
                                # requesting process
set log_netm_prcno      = N     # Whether to add process-
                                # specific sequence numbers
set log_netm_sysid      = Y     # Whether to add OpenTP1
                                # identifier
set log_netm_date       = Y     # Whether to add output
                                # request date
set log_netm_time       = Y     # Whether to add output
                                # request time
set log_netm_hostname   = Y     # Whether to add name of
                                # requesting host
set log_netm_pgmid      = Y     # Whether to add ID of
                                # requesting program
putenv TZ JST-9                 # Time zone specification
 
### End of log service definition #################
 
#############################################
# Multi-node configuration definition
# File name: nodeconf
#
#############################################
 
#--Multi-node area specification-----------------#
dcmarea -m area1 -w nd01,nd02 # Specification of nodes
                              # belonging to multi-node area
dcmarea -m area1 -w nd03,nd04
 
#--Multi-node subarea specification-------------#
dcmarea -g sub1 -w nd01,nd02
                          # Specification of nodes belonging
                          # to multi-node subarea
 
### End of multi-node configuration definition ############
 
############################################
# Multi-node physical definition
# File name: nodeaddr
#
############################################
 
dcprcport -w nd01 -h ft6101 -p 20000 # For each OpenTP1
                                     # node, specify the
dcprcport -w nd02 -h ft6102 -p 20000 # host name of OpenTP1
                                     # node and port number
dcprcport -w nd03 -h ft6103 -p 20000 # used by multi-node
                                     # linkage control
dcprcport -w nd04 -h ft6104 -p 20000 # facility
 
### End of multi-node physical definition ############
 
############################################
# DAMservice definition
# File name: dam
#
############################################
 
set dam_update_block = 32      # Maximum number of blocks to
                               # be updated
set dam_added_file = 8         # Maximum logical file count
                               # added online
 
#-----------Logical file specification---------------#
damfile DAMFILE /dev/rdsk/rhd112/damfile0
               # Logical file names and physical file names
               # accessed during online session
 
### End of DAM service definition  ################
 
 
#############################################
# TAM service definition
# Table name: tam
#
#############################################
 
set tam_max_tblnum = 100       # Maximum number of tables to
                               # be used during online session
set tam_max_filesize = 50000   # Maximum table size to be used
                               # during online session
set tam_max_recsize = 200      # Maximum TAM table record
                               # length
set tam_jnl_err_flag = STOP    # Processing to take place
                               # when journal error occurs
set tam_pool_attri = fixed     # Whether shared memory pool is
                               # to be fixed
 
#------------TAM file attribute specification---------#
 
tamtable  TAMTABLE /dev/rdsk/rhd112/tamfile0
                               # TAM table name and physical
                               # file name
 
### End of TAM service definition  ################
 
 
#############################################
# IST service definition
# File name: ist
#
#############################################
 
set ist_node =node1,node2,node3    # Node names at which
                                   # table operation takes
                                   # place
 
istdef isttbl1 32 100     # Table name to be accessed, record
                          # length, and record count
istdef isttbl2 128 10     # Table name to be accessed, record
                          # length, and record count
istdef isttbl3 1024 10    # Table name to be accessed, record
                          # length, and record count
 
### End of IST service definition ##################
 
#############################################
# Message queue service definition
# File name: que
#
#############################################
 
set que_xidnum = 100       # Maximum number of concurrently
                           # executed transactions
 
#-------Message queue file specification-------#
quegrp -g otqgrp01 -f /dev/rdsk/rhd112/quef01 -n 128 -m 10 -w 80
                           # -g Queue group ID assigned to
                           # physical file
                           # -f Physical file name
                           # -n Number of input-output buffers
                           # for buffer cache
                           # -m Number of messages retained
                           # in queue buffer
                           # -w Physical file usage capacity
                           # warning ratio
 
quegrp -g itqgrp01 -f /dev/rdsk/rhd112/quef02 -n 128 -m 10 -w 80
 
### End of message queue service definition ####
 
#############################################
# User service default definition
# File name: usrrc
#
#############################################
 
set nice                 = 10    # Process execution priority
set parallel_count       = 1     # Resident process count
set hold                 = Y     # Whether to shut down when
                                 # UAP abnormally terminates
set hold_recovery        = N     # Whether to inherit shutdown
                                 # state during full recovery
set deadlock_priority    = 64    # UAP deadlock priority
set schedule_priority    = 8     # Schedule priority
set message_buflen       = 4096  # Message length
set message_store_buflen = 12288 # Message storage buffer pool
                                 # length
set atomic_update        = Y     # Whether to generate
                                 # transactions
set receive_from         = queue # Whether to use schedule
                                 # queue
set uap_trace_max        = 32    # Maximum number of UAP trace
                                 # to be stored
set term_watch_time      = 30    # Abnormal termination check
                                 # expiration time
set type                 = other # Service group type
set balance_count        = 3     # Number of service requests
                                 # remaining
set auto_restart         = N     # Action to be taken by
                                 # service group when UAP
                                 # abnormally terminates
set critical             = N     # Action to be taken by
                                 # system when UAP abnormally
                                 # terminates
set lck_wait_priority    = 0     # Lock waiting priority
 
### End of user service default definition #####
 
#############################################
# User service definition 1
# File name: exuap01
# Client UAP (SUP) definition
#
#############################################
 
set module                  = "upout1"    # Executable program
                                          # name
set receive_from            = none
                    # Whether to use schedule queue for
                    # exchanging messages
### End of user service definition ##############
 
#############################################
# User service definition 2
# File name: exuap02
# Server UAP (SPP) definition
#
#############################################
 
set service_group   = "uap02"         # Service group name
set module          = "upout2"        # Executable file name
set parallel_count  = 2 , 4           # Resident process count
                                      # and non-resident
                                      # process count
set service         = "serv02=serv02" # service name = entry
                                      # point name
 
### End of user service definition ##############
 
 
#############################################
# User service definition 3
# File name: exuap03
# Message-processing program (MHP) definition
#
#############################################
 
set service_group  = "uap03"        # Service group name
set module         = "upout3"       # Executable file name
set parallel_count = 1 , 2          # Resident process count
                                    # and non-resident process
                                    # count
set hold           = N              # Whether to shut down
                                    # service group
set service        = "serv031=serv031",  \
                     "serv032=serv032"
                                    # service name = entry
                                    # point name
set type           = MHP            # Service group type
 
### End of user service definition ###############
 
#############################################
# MCF manager definition
# File name: abc_mngr
# Object file name: _mutest1
# Corresponding MCF communication configuration definition
# object file name: _muua01,_mups01
#
#############################################
 
#----------MCF manager environment definition--------------#
mcfmenv   -m "name = mng01"         # MCF manager name
 
#----------MCF manager common definition--------------#
mcfmcomn  -n 10          # Number of logical terminals using
                         # sequential numbers # \
          -p 300         # MCF work area size # \
          -j 4096        # MCF manager process journal buffer
                         # size
 
#-------------Communication service definition--------------#
mcfmcname -s "mcfsvname = _muua01   # MCF communication
                                    # service name # \
              syssvname = mcfu01"   # System service
                                    # information definition
                                    # file name
 
mcfmcname -s "mcfsvname = _mups01   # MCF communication
                                    # service name # \
              syssvname = mcfu02"   # System service
                                    # information definition
                                    # file name
 
#--------------UAP common definition------------------#
mcfmuap   -d 65535                  # Upper limit for the
                                    # number of times
                                    # communication function
                                    # can be issued # \
          -j 32768                  # User server journal
                                    # buffer size # \
          -l "initseq = 1           # Initial value of
                                    # sequential number # \
              maxseq  = 9999        # Maximum sequential
                                    # number when wrapping
                                    # occurs # \
              minseq  = 1"          # Starting sequential
                                    # number following
                                    # wrapping
 
#-------------Input-output queue definition--------------#
mcfmqgid  -q "quekind  = otq        # Queue type # \
              quegrpid = otqgrp01"  # Queue group ID
 
mcfmqgid  -q "quekind  = itq        # Queue type # \
              quegrpid = itqgrp01"  # Queue group ID
 
#--------------Extended reservation   -----------------#
#--------------definition             -----------------#
mcfmexp   -g 100                    # Service group
                                    # registration count # \
          -l 30                     # Logical terminal
                                    # registration count # \
          -i dg   # Whether to carry out fall-back operation
                  # when input queue cannot be used # \
          -o dg   # Whether to carry out fall-back operation
                  # when output queue cannot be used
 
#-------------Status inheritance definition--------------#
mcfmsts   -g 20                   # Service group count
                                  # upper limit # \
          -v 100                  # Service count upper limit
 
#########End of MCF manager definition#############
 
#############################################
# MCF communication configuration definition (ua)
# common definition
# File name: abc_ua_c
# Object file name: obj_ua_c
# Corresponding data communication definition object
# file name: obj_ua_d
# MCF communication configuration definition object
# file name: _muua01
# Corresponding MCF application definition object
# file name: aplipt01
#
#
#############################################
 
#----------------MCF communication environment-------------#
#----------------definition--------------------------------#
mcftenv   -s 01                 # MCF communication process
                                # identifier # \
          -a aplipt01  # MCF application definition
                       # file name
 
#--------------MCF communication configuration----------#
#--------------common definition------------------------#
mcftcomn  -j 32768     # MCF communication process journal
                       # buffer size # \
          -x "termrls = no"     # (UA protocol-specific)
 
#------------Maximum processing multiplier-------------#
#------------definition--------------------------------#
mcfttred  -m 5                  # Maximum processing
                                # multiplier
 
#---------------Timer definition------------------#
mcfttim   -t "btim   = 5        # Time monitoring interval # \
              mtim   = 180      # Remaining time for
                                # unprocessed send messages
              rmtim  = 180"     # Remaining time for
                                # unprocessed receive messages
 
#-------------Trace environment definition--------------#
mcfttrc   -t "size   = 20480    # Trace buffer size # \
              disk   = yes      # Whether to use disk output
                                # facility # \
              bufcnt = 50       # Trace buffer count # \
              trccnt = 3"       # Trace file count # \
          -m del                # Action to be taken when
                                # trace file count is exceeded
 
#-------------Status inheritance definition--------------#
mcftsts   -a 10                 # Application count upper
                                # limit
 
#-----------Buffer group definition------------#
###(for sending)
mcftbuf   -g "groupno = 1       # Buffer group number # \
              length  = 4096    # Buffer length # \
              count   = 256     # Buffer count # \
              extend  = 256"    # Extended buffer count
###(for receiving)
mcftbuf   -g "groupno = 2       # Buffer group number # \
              length  = 4096    # Buffer length # \
              count   = 256     # Buffer count # \
              extend  = 256"    # Extended buffer count
 
###(for editing)
mcftbuf   -g "groupno = 3       # Buffer group number # \
              length  = 4096    # Buffer length # \
              count   = 256     # Buffer count # \
              extend  = 256"    # Extended buffer count
 
### End of MCF communication configuration definition ###
### (common definition)                               ###
 
#############################################
# MCF communication configuration definition (ua)
#   Data communication definition (protocol-specific
#   definition)
# File name: abc_ua_d
# Object file name: obj_ua_d
# Corresponding common definition object file name: obj_ua_c
# MCF communication configuration definition object file name:
# _muua01
# Corresponding MCF application definition object file name:
# aplipt01
#
#    Since this is OSAS/UA protocol-specific definition,
#    see protocol TP1/NET/User Agent section for details.
#
#############################################
 
#=============Connection definition==============#
#----------Connection definition start-----------#
mcftalccn -c coua01           # Connection ID # \
          -p ua               # Protocol type # \
          -n x'0a81008202001283020012' \
                              # Local system's PSAP address # \
          -g "sndbuf = 1      # Buffer group number for
                              # sending messages # \
              rcvbuf = 2"     # Buffer group number for
                              # receiving messages # \
          -e "msgbuf = 3      # Buffer group number for
                              # editing messages # \
              count  = 5"     # Buffer count for editing
                              # messages # \
          -m "mode   = xnfw"  # Communication management
                              # connection mode #   \
          -i auto     # Whether to automatically establish
                      # connection during restart # \
          -o old              # OSAS/UA protocol type # \
          -u ht               # Remote system type # \
          -y e'T1000'         # Controlling UA terminal
                              # identifier # \
          -q x'15810082008302ffff840b49000142010300005ffe01'  \
                              # Remote system's PSAP
                              # address # \
          -z "slot   = 1"     # Slot number used by local
                              # system
 
#----------Logical terminal definition/UA-----------#
#----------definition (1)---------------------------#
mcftalcle -l lotr01                       # Logical terminal
                                          # name # \
          -t reply                        # Terminal type # \
          -m "mmsgcnt  = 20       # Maximum number of memory-
                                  # output messages to be
                                  # stored # \
              dmsgcnt  = 10"      # Maximum number of disk-
                                  # output messages to be
                                  # stored # \
          -k "quekind  = disk             # Output queue
                                          # medium type # \
              quegrpid = otqgrp01"        # Queue group ID
mcftalcua -u 1                            # UA number # \
          -y e'T1001'                     # UA terminal
                                          # identifier
 
#----------Logical terminal definition/UA -----------#
#----------definition (2)----------------------------#
mcftalcle -l lotr02                       # Logical terminal
                                          # name # \
          -t send                         # Terminal type # \
          -m "mmsgcnt  = 20       # Maximum number of memory-
                                  # output messages to be
                                  # stored # \
              dmsgcnt  = 10"      # Maximum number of disk-
                                  # output messages to be
                                  # stored # \
          -k "quekind  = disk             # Output queue
                                          # medium type # \
              quegrpid = otqgrp02"        # Queue group ID
mcftalcua -u 2                            # UA number # \
          -y e'T1002'                     # UA terminal
                                          # identifier
 
#----------End of connection definition-----------#
mcftalced                             # No argument
 
## End of MCF communication configuration definition ##
## (data communication definition)                   ##
 
#############################################
# MCF communication configuration definition
# (psvr) common definition
# File name: psvr_cmn
# Object file name: psvr_c_o
# Corresponding data communication definition object
# file name: psvr_d_o
# MCF communication configuration definition object file name:
# _mups01
# Corresponding MCF application definition object file name:
# aplipt01
#
#
#############################################
 
#-------------MCF communication environment----------------#
#-------------definition-----------------------------------#
mcftenv   -s 02          # Application start process
                         # identifier # \
          -a aplipt01    # MCF application definition object
                         # file name
 
#----------MCF communication configuration common------------#
#----------definition---------------------------------------#
mcftcomn  -j 32768
              # Size of application start process journal buffer
 
#------------Maximum processing multiplier-------------#
#------------definition--------------------------------#
mcfttred  -m 1                  # Maximum processing multiplier
 
#----------------Timer definition-----------------#
mcfttim   -t "btim   = 5        # Time monitoring interval # \
              mtim   = 180      # Remaining time for 
                                # unprocessed send messages
              rmtim  = 180"     # Remaining time for
                                # unprocessed receive messages
 
#-------------Trace environment definition--------------#
mcfttrc   -t "size   = 20480    # Trace buffer size # \
              disk   = yes      # Whether to use disk output
                                # facility # \
              bufcnt = 50       # Trace buffer count # \
              trccnt = 3"       # Trace file count # \
          -m del                # Action to be taken when
                                # trace file count is exceeded
 
#-------------Status inheritance definition--------------#
mcftsts   -a 10                 # Application count upper
                                # limit
 
##### End of MCF communication configuration definition #####
##### (common definition)                               #####
 
#############################################
# MCF communication configuration definition (psvr)
#   Data communication definition (application start
#   definition)
# File name: psvr_dta
# Object file name: psvr_d_o
# Corresponding common definition object file name: psvr_c_o
# MCF communication configuration definition object file name:
# _mups01
# Corresponding MCF application definition object file name:
# aplipt01
#
#
#############################################
 
#----Start of application start environment definition-----#
mcftpsvr  -c copsvr01               # Internal communication
                                    # path name
 
#---------------Logical terminal definition----------------#
mcftalcle -l lotr03                       # Logical terminal name # \
          -t request                      # Terminal type # \
          -m "mmsgcnt  = 20       # Maximum number of memory-
                                  # output messages to be
                                  # stored # \
              dmsgcnt  = 10"      # Maximum number of disk-
                                  # output messages to be
                                  # stored # \
          -k "quekind  = disk             # Output queue
                                          # medium type # \
              quegrpid = otqgrp01"        # Queue group ID
 
#----End of application start environment definition-----#
mcftped                                   # No argument
## End of MCF communication configuration definition     ##
## (data communication definition)                       ##
 
#############################################
# MCF application definition
# File name: abc_apli
# Object file name: aplipt01
#
#############################################
#---------MCF application environment definition--------#
mcfaenv   -a apli01                 # MCF application
                                    # definition identifier # \
          -p 02                     # Application start
                                    # process identifier
 
#--------MCF application attribute definition (1)------#
mcfaalcap -n "name      = WORK1     # Application name # \
              kind      = user      # Application kind # \
              type      = ans       # Application type # \
              aplihold  = a         # Whether to shut down
                                    # application # \
              msgcnt    = 600"      # Maximum number of input
                                    # messages that can be
                                    # stored # \
          -g "servgrpn  = uap03     # Service group name # \
              quegrpid  = itqgrp01  # Queue group ID # \
              quekind   = disk"     # Input queue medium
                                    # type # \
          -v "servname  = serv031   # Corresponding service
                                    # name # \
              servhold  = m"        # Action to be taken by
                                    # service during abnormal
                                    # termination # \
          -d "holdlimit = 1     # Application abnormal
                                # termination limit count # \
              holdlmtyp = cont" # Method of counting
                                # abnormal terminations  # \
          -j "ij        = yes       # Whether to acquire
                                    # history information # \
                                    #  (During input message
                                    #   registration) # \
              oj        = yes       # Whether to acquire
                                    # history information # \
                                    #  (During message send
                                    #   request) # \
              gj        = yes"      # Whether to acquire
                                    # history information
                                    #  (During message
                                    #   receive request)
 
#--------MCF application attribute definition (2)------#
mcfaalcap -n "name      = WORK2     # Application name # \
              kind      = user      # Application kind # \
              type      = ans       # Application type # \
              aplihold  = a         # Whether to shut down
                                    # application # \
              msgcnt    = 600"      # Maximum number of input
                                    # messages that can be
                                    # stored # \
              cname     = copsvr01" # Internal communication
                                    # path name # \
          -g "servgrpn  = uap03     # Service group name # \
              quegrpid  = itqgrp01  # Queue group ID # \
              quekind   = disk"     # Input queue medium
                                    # type # \
          -v "servname  = serv032   # Corresponding service
                                    # name # \
              servhold  = m"        # Action to be taken by
                                    # service during abnormal
                                    # termination # \
          -d "holdlimit = 1     # Application abnormal
                                # termination limit count # \
              holdlmtyp = cont" # Method of counting
                                # abnormal terminations  # \
          -j "ij        = yes       # Whether to acquire
                                    # history information # \
                                    #  (During input message
                                    #   registration) # \
              oj        = yes       # Whether to acquire
                                    # history information # \
                                    #  (During message send
                                    #   request) # \
              gj        = yes"      # Whether to acquire
                                    # history information
                                    #  (During message
                                    #   receive request)
###### End of MCF application definition #######
 
#############################################
# System service information definition (ua)
# File name: mcfu01
#
#############################################
 
set module = "mcfu01"
# Name of executable program of MCF main function created by
# user (= definition file name)
set receive_from = socket           # Receive type
set fixpriority = 52                # Fixed process execution
                                    # priority
 
### End of system service information definition ########
 
 
#############################################
# System service information definition (psvr)
# File name: mcfu02
#
#############################################
 
set module = "mcfu02"
# Name of executable program of MCF main function created by
# user (= definition file name)
set fixpriority = 52                # Fixed process execution
                                    # priority
 
### End of system service information definition ########