通信管理 XNF/AS 構成定義編
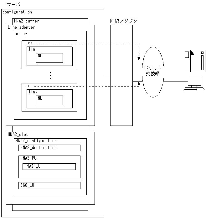
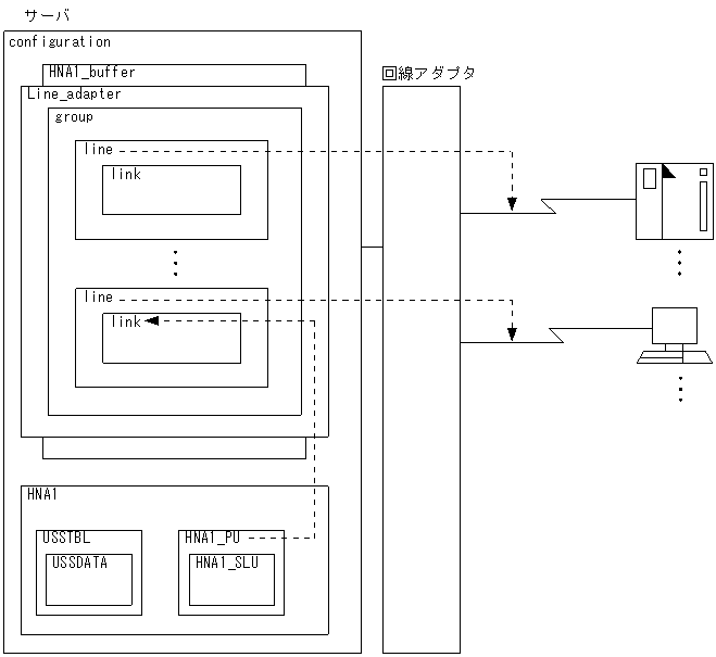
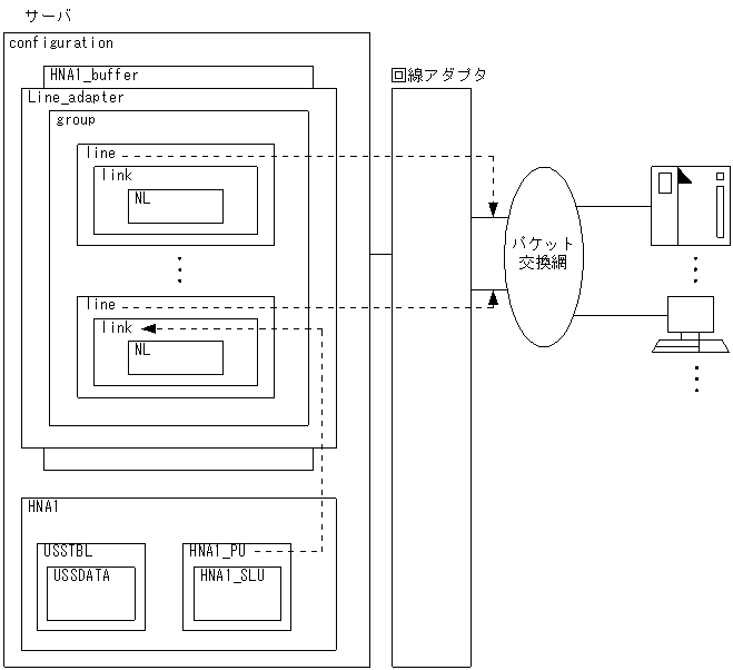
XNF/ASの構成定義文の一覧と,指定できる文数を表1-2に示します。また,構成を定義するとき,どんな通信機能を使用するかによって記述できる構成定義文の種類が異なります。アダプタ単位に各通信機能で記述できる構成定義文の対応を表1-3〜表1-4に示します。また,通信機能ごとの構成定義文の階層構造とハードウェア資源との対応を図1-2〜図1-8に示します。
異なる通信機能を混在して使用する場合の階層構造は,「4.4 通信手順が混在する場合の定義」を参照してください。
表1-2 構成定義文と指定できる文数
| 定義文名 | 定義内容 | 定義の単位と文数 |
|---|---|---|
| 構成定義開始宣言文(configuration) | 構成定義情報の開始を宣言します。共通項目情報の最大値を与えます。 | 定義全体,先頭に1文 |
| OSIセション層(SL)定義文(SL) | OSI第5層(セションレイヤ)の制御情報を与えます。 | 定義全体,1文 |
| OSIトランスポート層クラス02定義文(TL02) | OSI第4層のうちTLクラス0または2で使用するデフォルト値を与えます。 | 定義全体,1文 |
| OSIネットワーク層(NL)定義文(NL) | OSI第3層(ネットワークレイヤ)の制御情報を与えます。 | link文,1文 |
| OSI用バッファ定義文(OSI_buffer) | OSI通信機能で使用するバッファ情報を与えます。 | 定義全体,連続して1〜8文 |
| OSI拡張機能用バッファ定義文(TPTCP_buffer) | エンドシステムとして動作するOSI拡張機能で使用するバッファ情報を与えます。 | 定義全体,1文 |
| HDLCパススルー用バッファ定義文(HDLC_buffer) | HDLCパススルーで使用する送信バッファ情報を与えます。 | 定義全体,連続して1〜8文 |
| 回線アダプタ定義文(Line_adapter) | 回線アダプタの情報を与えます。 | 定義全体,1文以上 |
| 手順別回線群定義文(group) | 回線を手順別に分類し,複数の回線を一つのグループとして扱います。これらに共通な情報を与えます。 | 手順ごと,1文以上 |
| ベーシック手順回線定義文(basicline) | ベーシック手順の回線の回線情報を与えます。 | group文,1文以上 |
| 回線定義文(line) | ハイレベル手順の回線の回線情報を与えます。 | group文,1文以上 |
| リンク定義文(link) | 端末との論理的な接続を示すリンク情報を与えます。 | line文,1文以上 |
| アプリケーションプログラムインタフェース定義文(OSAS_API) | OSAS APIを使用するAPの情報を与えます。 | 定義全体,1〜1024文 |
| X.25用ルーティング情報定義文(X25_route) | X.25用ルーティング情報を与えます。 | 相手局ごと,1文 |
| X.25相手指定情報定義文(X25_info) | X.25に相手指定の情報を与えます。 | 相手局ごと,1文 |
| X.25要求専用情報定義文(X25_request) | X.25に要求専用の情報を与えます。 | X25_info文,1文 |
| X.25受諾専用情報定義文(X25_accept) | X.25に受諾専用の情報を与えます。 | X25_info文,1文 |
| X.25グループVASS定義文(X25_group_define) | X.25を使用した代表選択機能で使用するネットワーク層情報を与えます。 | 定義全体,1〜64文 |
| OSI拡張機能用情報定義文(TPTCP_define) | OSI拡張機能が使用する仮想スロット情報を与えます。 | 定義全体,1文 |
| OSI拡張機能用自局IPアドレス定義文(TPTCP_slot) | エンドシステムでの自局IPアドレス指定で使用する仮想スロット情報を与えます。 | 定義全体,1〜30文 |
| NLI用バッファ定義文(NLI_buffer) | X.25パススルーで使用する送信バッファ情報を与えます。 | 定義全体,連続して1〜8文 |
| HNA1次局構成定義開始文(HNA1) | HNA1次局の構成定義の開始を宣言します。 | 定義全体,1文 |
| HNA1用バッファ定義文(HNA1_buffer) | HNA1で使用する送信用バッファ情報を与えます。 | 定義全体,1文 |
| HNA1用PU定義文(HNA1_PU) | HNA1のPU情報を与えます。 | HNA1文,1〜1024文 |
| HNA1用SLU定義文(HNA1_SLU) | HNA1のSLU情報を与えます。 | HNA1_PU文,1〜255文 |
| 不定様式ログオン/ログオフ定義文(USSDATA) | 不定様式ログオン/ログオフテーブル情報を与えます。 | USSTBL文,1〜255文 |
| 不定様式ログオン/ログオフテーブル開始定義文(USSTBL) | 不定様式ログオン/ログオフテーブルの開始情報を与えます。 | HNA1文,1〜255文 |
| HNA2用バッファ定義文(HNA2_buffer) | HNA2で使用するバッファ情報を与えます。 | 定義全体,1〜2文 |
| HNA2用スロット定義文(HNA2_slot) | HNA2で使用するスロット情報を与えます。 | 定義全体,1〜8文 |
| HNA2用全体定義文(HNA2_configuration) | HNA2リソース詳細情報を与えます。 | 定義全体,1文 |
| HNA2用接続先定義文(HNA2_destination) | HNA2の定義全体で使用する接続先情報を与えます。 | HNA2_configuration文,1文以上 |
| HNA2用PU定義文(HNA2_PU) | HNA2で使用するPU情報を与えます。 | HNA2_configuration文,1〜32文 |
| HNA2用LU定義文(HNA2_LU) | HNA2で使用するLU情報を与えます。 | HNA2_PU文,1文以上 |
| 560/20系LU用LU定義文(560_LU) | 560/20系LUで使用するLU情報を与えます。 | HNA2_configuration文,1文以上 |
| ISDN網の回線群定義文(SW_group_define) | ISDN網の同一網,同一物理インタフェース単位に回線群を一つのグループとして扱います。これらに共通な情報を与えます。 | Line_adapter文,1文以上 |
| OSI拡張高信頼化機能用共通定義文(TPTCP_common) | OSI拡張高信頼化機能で使用する共通な情報を与えます。 | 定義全体,1文 |
| OSI拡張高信頼化機能用仮想サーバ定義文(TPTCP_VC) | OSI拡張高信頼化機能を使用する場合に必要となる,ネットワーク情報を仮想サーバ単位に与えます。 | 定義全体,1〜64文 |
| 定義文名 | 通信機能 | ||||||
|---|---|---|---|---|---|---|---|
| OSI通信機能 | TLI | HNA1次局 | HNA2次局 | X.25パススルー | HDLCパススルー | ベーシック手順 | |
| configuration | ◎ | ◎ | ◎ | ◎ | ◎ | ◎ | ◎ |
| SL | ○ | − | − | − | − | − | − |
| TL02 | ○ | ○ | − | − | − | − | − |
| OSI_buffer | ○ | − | − | − | − | − | − |
| HNA1_buffer | − | − | ○ | − | − | − | − |
| HNA2_buffer | − | − | − | ○ | − | − | − |
| NLI_buffer | − | − | − | − | ○ | − | − |
| HDLC_buffer | − | − | − | − | − | ○ | − |
| X25_group_define | △ ※3 |
△ ※3 |
△ ※3 |
△ ※3 |
△ ※3 |
− | − |
| SW_group_define | − | − | △ ※5 |
− | − | − | − |
| Line_adapter | ◎ | ◎ | ◎ | ◎ | ◎ | ◎ | ◎ |
| group | ◎ | ◎ | ◎ | ◎ | ◎ | ◎ | ◎ |
| basicline | − | − | − | − | − | − | ◎ |
| line | ◎ | ◎ | ◎ | ◎ | ◎ | ◎ | − |
| link | ◎ | ◎ | ◎ | ◎ | ◎ | ◎ | − |
| NL | ◎ | ◎ | △ ※4 |
△ ※4 |
◎ | − | − |
| HNA1 | − | − | ◎ | − | − | − | − |
| HNA1_PU | − | − | ◎ | − | − | − | − |
| HNA1_SLU | − | − | ◎ | − | − | − | − |
| USSDATA | − | − | ○ | − | − | − | − |
| USSTBL | − | − | ○ | − | − | − | − |
| HNA2_slot | − | − | − | ◎ | − | − | − |
| HNA2_configuration | − | − | − | ◎ | − | − | − |
| HNA2_destination | − | − | − | ○ | − | − | − |
| HNA2_PU | − | − | − | ○ | − | − | − |
| HNA2_LU | − | − | − | ○ | − | − | − |
| 560_LU | − | − | − | ○ | − | − | − |
| OSAS_API | ○ | − | − | − | − | − | − |
| X25_route | △ ※1 |
△ ※1 |
△ ※1 |
△ ※1 |
△ ※1 |
− | − |
| X25_info | △ ※2 |
△ ※2 |
△ ※2 |
△ ※2 |
△ ※2 |
− | − |
| X25_request | △ ※2 |
△ ※2 |
△ ※2 |
△ ※2 |
△ ※2 |
− | − |
| X25_accept | △ ※2 |
△ ※2 |
△ ※2 |
△ ※2 |
△ ※2 |
− | − |
| 定義文名 | 通信機能 | |||||
|---|---|---|---|---|---|---|
| エンドシステム | ゲートウェイシステム | |||||
| OSI通信機能 | TLI | OSI拡張高信頼化機能不使用 | OSI拡張高信頼化機能使用 | |||
| OSI拡張高信頼化機能不使用 | OSI拡張高信頼化機能使用 | OSI拡張高信頼化機能不使用 | OSI拡張高信頼化機能使用 | |||
| configuration | ◎ | ◎ | ◎ | ◎ | ◎ | ◎ |
| SL | ○ | ○ | − | − | − | − |
| TL02 | − | − | − | − | ○ | ○ |
| OSI_buffer | ○ | ○ | − | − | − | − |
| TPTCP_buffer | ○ | ○ | ○ | ○ | − | − |
| TPTCP_define | ◎ | ◎ | ◎ | ◎ | ○※ | ◎ |
| TPTCP_slot | ○ | − | ○ | − | − | − |
| OSAS_API | ○ | ○ | − | − | − | − |
| TPTCP_common | − | ○ | − | ○ | − | ○ |
| TPTCP_VC | − | ◎ | − | ◎ | − | ◎ |
All Rights Reserved. Copyright (C) 2009, 2015, Hitachi, Ltd.