分散トランザクション処理機能 OpenTP1 プロトコル TP1/NET/Secondary Logical Unit - TypeP2編

[目次][用語][索引][前へ][次へ]

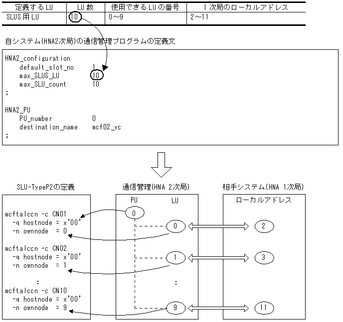
自システムの通信管理プログラムと関連づける内容

SLU - TypeP2の定義には,LUの定義について,通信管理と関連づける項目があります。

自局ノード名称とホストノード名称

自局ノード名称とホストノード名称は,通信管理の構成定義で指定した値と一致させてください。通信管理の構成定義については,マニュアル「通信管理 XNF/AS 構成定義編」を参照してください。

ownnodeオペランド(mcftalccn -n)

ownnodeオペランドで指定する自局ノード名称は,HNA2用全体定義文(HNA2_configuration max_SLUS_LU)で指定したSLUS用のLU番号と一致させます。

hostnodeオペランド(mcftalccn -q)

hostnodeオペランドで指定するホストノード名称は,HNA2用PU定義文(HNA2_PU PU_number)で指定したPU番号と一致させます。

自システムと相手システムのLUの構成に応じた定義例

自システムの通信管理プログラムのローカルアドレス割り当て機能を使用しない場合

ローカルアドレス割り当て機能を使用しない場合は,通信管理プログラムが「LU番号+2」をローカルアドレスとして自動的に割り当てます。

SLUS用LUだけで構成する例と,SLUS用LU以外のLUと混在する例をそれぞれ示します。

図5-2 SLUS用LUだけの構成例(ローカルアドレス割り当て機能を使用しない場合)

[図データ]

図5-3 SLUS用LU以外のLUと混在する構成例(ローカルアドレス割り当て機能を使用しない場合)

[図データ]

自システムの通信管理プログラムのローカルアドレス割り当て機能を使用する場合

ローカルアドレス割り当て機能を使用する場合に,SLUS用LUだけで構成する例と,SLUS用LU以外のLUと混在する例をそれぞれ示します。

図5-4 SLUS用LUだけの構成例(ローカルアドレス割り当て機能を使用する場合)

[図データ]

図5-5 SLUS用LU以外のLUと混在する構成例(ローカルアドレス割り当て機能を使用する場合)

[図データ]

通信管理プログラムの自動ログオン機能

SLU - TypeP2は,NOTIFYコマンドが未サポートのため,HNA2全体定義文(HNA2_configuration),HNA2用PU定義文(HNA2_PU)およびHNA2用LU定義文(HNA2_LU)のどれにも,自動ログオン定義(auto_logon)にyesを指定できません。自動ログオン定義を省略するか,noを指定する必要があります。