Groupmax Workflow Version 6 システム管理者ガイド
![[目次]](FIGURE/CONTENT.GIF)
![[用語]](FIGURE/GLOSS.GIF)
![[索引]](FIGURE/INDEX.GIF)
![[前へ]](FIGURE/FRONT.GIF)
(1) ディスク占有量算出時の注意
ここでは,計算式に関する注意事項について説明します。
- 計算式中の「S」はGroupmax Object Serverの初期設定パラメタファイルで指定したセグメントサイズです。セグメントは,Groupmax Object Serverでのファイルの割り当て及び増分の単位で,ページという単位で指定されます。1ページのページ長は8,192バイトです。
α,α1,α2...の値がセグメントサイズより大きくなると,ファイルが増分されます。初期設定パラメタファイルについては,マニュアル「Groupmax Object Server Version 6 システム管理者ガイド」を参照してください。
- ファイル増分の単位は,セグメントサイズですが,セグメントサイズが128以下の場合は無条件に1メガバイト増分します。
セグメントサイズが128以下のディスク占有量については,計算値より実測値の方が大きくなる場合がありますので注意してください。
- 次に示す場合は,データの削除をしてもその領域が再利用されないことがあります。その場合は,削除するデータの数も含めて計算してください。ただし,1ページ内の全データを削除すれば再利用されます。
- ファイル増分の発生後で,増分前の領域に格納しているデータを削除する場合
- 削除データのページ(8,192バイト)内に他のデータがある場合
- ディスク占有量の見積もりのときは,余裕をもって見積もってください。
データを削除した領域を効率良く再利用するためには,データベースを適切な配置に再編成し,データベースのスペース効率を最適にする必要があります。データベースの再編成には,Groupmax Object Serverの[データベースの再編成ユティリティ]を使用します。データベースのスペース効率を最適にするために,定期的にデータベースを再編成してください。
また,データベースを再編成する場合は,必ず,あらかじめデータベースのバックアップを取得してください。
データベースの再編成ユティリティについては,マニュアル「Groupmax Object Server Version 6 システム管理者ガイド」を参照してください。
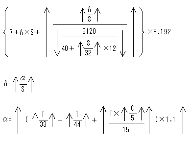
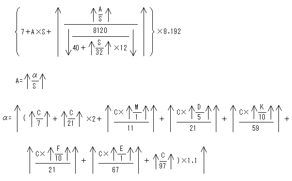
- oidindex(単位:キロバイト)
![[図データ]](FIGURE/ZU0H001I.GIF)
αの求め方を次に示します。
![[図データ]](FIGURE/ZU0H002I.GIF)
これは漸化式を解く計算式で,次の計算式でP1を求め,Pn+1=1になるまでPi+1の計算式を繰り返します。
![[図データ]](FIGURE/ZU0H003I.GIF)
- Cd
- 総オブジェクト数(削除した数も含む)
- (=B×(20+N×4)+R×26+U×16+W×4+A×11+D×9+M×3+30)
- B
- 総ビジネスプロセス定義数
- (ワークフロー管理サーバの場合)=システム内の全ビジネスプロセス定義数
- (ワークフロー管理サーバ以外の場合)=サーバ内のビジネスプロセス定義数
- R
- 総ロール数
- (ワークフロー管理サーバの場合)=システム内の全ロール数
- (ワークフロー管理サーバ以外の場合)=サーバ内のロール数
- N
- ビジネスプロセス定義内のノード数(平均値)
- U
- そのサーバをホームサーバにする総ユーザ数
- W
- 総ワーク数
- A
- 総案件数
- D
- 総文書数
- M
- 総メモ数
- 備考
- 初期割り当て量が2以上の場合,Groupmax Workflow Serverの初期化直後のディスク占有量は,次に示す見積もり式を参考にしてください。
- (10+S×初期割り当て量)×8.192(単位:キロバイト)
- WF_is_system(単位:メガバイト)
1.5
- WF_is_class(単位:キロバイト)
![[図データ]](FIGURE/ZU0H004I.GIF)
- B
- 全ビジネスプロセス定義数
- D
- 最大文書数と最大メモ数の和
- WF_is_string(単位:キロバイト)
![[図データ]](FIGURE/ZU0H005I.GIF)
- B
- 全ビジネスプロセス定義数
- D
- 最大文書数と最大メモ数の和
- WF_manager_area(単位:キロバイト)
![[図データ]](FIGURE/ZU0H006I.GIF)
- C
- 送付待ち案件数(マネージャのスリープ間隔中にユーザが送付する案件数と同じです)
- WF_bp_area(単位:キロバイト)
![[図データ]](FIGURE/ZU0H007I.GIF)
- B
- ビジネスプロセス定義数
- N
- ビジネスプロセス定義内のノード数(平均値)
- T
- ビジネスプロセス定義内のケース定義数(平均値)
- W
- ビジネスプロセス定義内のワーク数(平均値)
- R
- ビジネスプロセス定義内のロール数(平均値)
- U
- ビジネスプロセス定義内のノードに割り当てたユーザ数(平均値)
- (02-10より前のバージョンのビジネスプロセス定義の場合にだけ対象となります。)
- U2
- ビジネスプロセス定義当たりのBP管理者数(平均値)
- U3
- ビジネスプロセス定義当たりのBP配布権限者数(平均値)
- U4
- ビジネスプロセス定義当たりのBP参照権限者数(平均値)
- K
- ビジネスプロセス定義当たりの自動配布キー数(平均値)
- 備考
- 平均値=0の場合,1で計算してください。
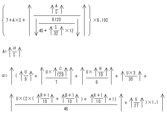
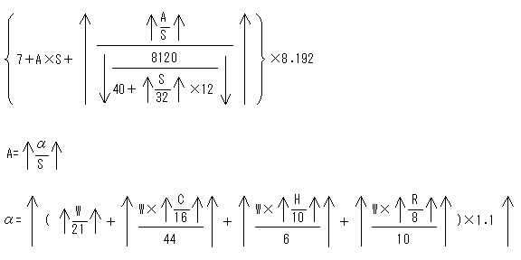
- WF_work_area(単位:キロバイト)
![[図データ]](FIGURE/ZU0H008I.GIF)
- W
- 最大ワーク数
- C
- ワーク内のケース数(平均値)
- H
- ワーク内のヒストリ数(平均値)
- R
- ワーク内のロール数(平均値)
- 備考
- 平均値=0の場合,1で計算してください。
- WF_case_area(単位:キロバイト)
![[図データ]](FIGURE/ZU0H009I.GIF)
- C
- 全ケース数
- M
- ケース内のメモ数(平均値)
- D
- ケース内の文書数(平均値)
- K
- ケース内の下位ケース数(平均値)
- F
- ケース内の相談件数(平均値)
- E
- ケース内の拡張ユーザ属性数(平均値)
- ケース内の拡張ユーザ属性数(平均値)とは,ケース内に設定する属性の中で,最多に設定するデータ型の属性数が6個以上ある場合の,5個を超えた数です(例えば,文字型の属性が9個,整数型の属性が6個の場合,4を設定してください)。
- 備考
- 平均値=0の場合,1で計算してください。
- WF_role_area(単位:キロバイト)
![[図データ]](FIGURE/ZU0H010I.GIF)
- R
- ロール数
- C
- ロールトレーの案件数(平均値)
- U
- 業務ロール内のユーザ数(平均値)
- R2
- 階層化ロールに含まれるロール数
- U2
- ロール配布権限を与えたユーザ数(平均値)
- U3
- ロール更新権限を与えたユーザ数(平均値)
- K
- ロール定義当たりの自動配布キー数(平均値)
- 備考
- 平均値=0の場合,1で計算してください。
- WF_user_area(単位:キロバイト)
![[図データ]](FIGURE/ZU0H011I.GIF)
- U
- そのサーバをホームサーバにするユーザ数
- C
- ユーザトレーの案件数(平均値)
- H
- ユーザの作業履歴数(平均値)
- R
- ユーザが割り当てられているロール数(平均値)
- B
- ユーザが割り当てられているビジネスプロセス定義数(平均値)
- (02-10より前のバージョンのビジネスプロセス定義の場合にだけ対象となります。)
- K
- 代行者を持つユーザ数(平均値)
- 備考
- 平均値=0の場合,1で計算してください。
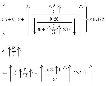
- WF_op_list_area(単位:キロバイト)
![[図データ]](FIGURE/ZU0H012I.GIF)
- L
![[図データ]](FIGURE/ZU0H057I.GIF)
- W
- 処理ノードで指定するユーザ処理リスト内作業数(平均値)
- 備考
- 平均値=0の場合,1で計算してください。
- WF_case_inf_area(単位:キロバイト)
![[図データ]](FIGURE/ZU0H013I.GIF)
- T
![[図データ]](FIGURE/ZU0H058I.GIF)
- C
- ケース内の属性数(平均値)
- 備考
- 平均値=0の場合,1で計算してください。
- WF_counter_area(単位:キロバイト)
![[図データ]](FIGURE/ZU0H014I.GIF)
- U
- 全ユーザ数(systemを含む)
- N
- ユーザが案件を処理したノード数(平均値)
- 備考
- 平均値=0の場合,1で計算してください。
- WF_class_lock_area(単位:キロバイト)
(8+S)×8.192
- WF_send_area(単位:キロバイト)
![[図データ]](FIGURE/ZU0H015I.GIF)
- C1
- V1のビジネスプロセス定義で他のビジネスプロセスで処理中の案件数(平均値)
- C2
- (そのサーバをビジネスプロセス登録サーバとするビジネスプロセス定義での,他のサーバで処理中の案件数(平均値))+(そのサーバに配布されたビジネスプロセス定義で処理中の案件数(平均値))
- C3
- ドメイン間連携する案件数(平均値)
- C4
- ドメイン間連携中の最大案件数
- CA1
- ドメイン間連携で引き継ぐケース属性数
- 文書を引き継ぐ場合,1を加算
- CA2
- ドメイン間連携で受け取るケース属性数
- 文書を受け取る場合,1を加算
- D
- ドメイン間連携管理情報最大保存期間
- 備考
- 平均値=0の場合,1で計算してください。
- WF_case_add_area(単位:キロバイト)
![[図データ]](FIGURE/ZU0H016I.GIF)
- C
- 階層連携ビジネスプロセスの最大ケース数
- L
- 階層連携ビジネスプロセスの案件を処理したユーザ数(平均値)
- 備考
- 平均値=0の場合,1で計算してください。
- WF_auto_deliver_area(単位:キロバイト)
![[図データ]](FIGURE/ZU0H017I.GIF)
- K
- 自動配布キーの総数
- K=↑P×ロール定義数↑
- P
- ロール定義当たりの自動配布キー数(平均値)
- U
- 自動配布キー当たりのユーザ数(平均値)
- B
- 自動配布キー当たりのビジネスプロセス定義数(平均値)
- 備考
- 平均値=0の場合,1で計算してください。
- WF_data_obj_area(単位:キロバイト)
![[図データ]](FIGURE/ZU0H018I.GIF)
- N
- 全メモ数
- D
- メモサイズ(平均値)
- 備考
- 平均値=0の場合,1で計算してください。
- WF_relation_area(単位:キロバイト)
![[図データ]](FIGURE/ZU0H019I.GIF)
- B
- ビジネスプロセス定義数
- R
- ロール数
- R2
- 組織ロール数
- R3
- そのサーバをロール登録サーバとする組織ロール数
- R4
- 階層化ロール数
- U
- そのサーバをホームサーバにするユーザ数
- K
- 自動配布キーの総数
- WF_mb_master_bp_manager_area(単位:キロバイト)
![[図データ]](FIGURE/ZU0H020I.GIF)
- B
- ビジネスプロセス定義数
- WF_db_bp_distribution_area(単位:キロバイト)
![[図データ]](FIGURE/ZU0H021I.GIF)
- B
- ビジネスプロセス定義数
- WF_dr_role_distribution_area(単位:キロバイト)
- ワークフロー管理サーバの場合
![[図データ]](FIGURE/ZU0H022I.GIF)
- R
- ロール数
- ワークフロー管理サーバ以外の場合
73.728
- WF_oa_operation_auth_area(単位:キロバイト)
![[図データ]](FIGURE/ZU0H023I.GIF)
- B
- ビジネスプロセス定義数
- N
- ビジネスプロセス定義内のノード数(平均値)
- 備考
- 平均値=0の場合,1で計算してください。
- WF_or_role_manager_area(単位:キロバイト)
![[図データ]](FIGURE/ZU0H024I.GIF)
- B1
- ソースノードにユーザを割り当てたビジネスプロセス定義数
- B2
- ノードにユーザを割り当てたビジネスプロセス定義数
- R
- 組織ロール数
- R2
- そのサーバをロール登録サーバとする組織ロール数
- 備考
- 値=0の場合,1で計算してください。
- WF_ua_user_auth_area(単位:キロバイト)
- ワークフロー管理サーバの場合
![[図データ]](FIGURE/ZU0H025I.GIF)
- U
- ドメイン管理者,ワークフロー運用管理者,ビジネスプロセス管理者であるか又はビジネスプロセス定義に参照権限を持つユーザの数
- B1
- Uのユーザ当たりのビジネスプロセス管理者に指定されているビジネスプロセス数(平均値)
- U1
- ビジネスプロセス管理者数
- B2
- Uのユーザ当たりのビジネスプロセス配布権限を持つビジネスプロセス数(平均値)
- U2
- ビジネスプロセス配布権限を持つユーザ数
- B3
- Uのユーザ当たりの参照権限を持つビジネスプロセス数(平均値)
- U3
- ビジネスプロセス定義の参照権限を持つユーザ数
- R1
- ユーザ当たりのロール配布権限を持つロール数(平均値)
- U4
- ロール配布権限を持つユーザ数
- R2
- ユーザ当たりのロール更新権限を持つロール数(平均値)
- U5
- ロール更新権限を持つユーザ数
- ワークフロー管理サーバ以外の場合
73.728
- 備考
- 平均値=0の場合,1で計算してください。
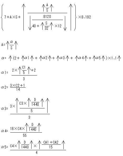
- WF_index_area(単位:キロバイト)
- 注
- 次の計算式で使用するワーク,ユーザ,ロール及びビジネスプロセスの数には,データベースを再編成するまでに削除した数を含みます。特に,ワークの数の場合は,Groupmax Object Serverのデータベースの再編成を実施してから,次に再編成を実施するまでの間に,ワーク削除ユティリティで削除したワーク数を含めた総数で見積もってください。
![[図データ]](FIGURE/ZU0H026I.GIF)
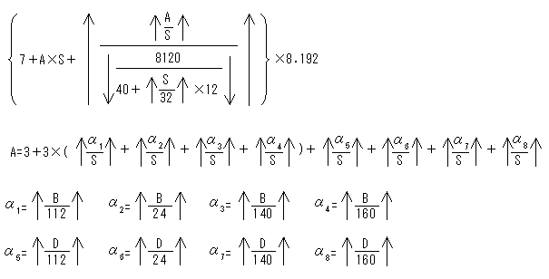
αiの求め方を次に示します。
![[図データ]](FIGURE/ZU0H027I.GIF)
これは漸化式を解く計算式で,次の計算式でP1を求め,Pn+1=1になるまでPj+1の計算式を繰り返します。
![[図データ]](FIGURE/ZU0H028I.GIF)
- C
- ワークIDの重複が200個以下のワークIDの種類の数
- D
- ワークIDの重複が200個以下のワークIDの平均重複数
- E
- ワークIDの重複が201個以上のワークIDの種類の数
- F
- ワークIDの重複が201個以上のワークIDの平均重複数
(ワークIDがユニークな場合,C=ワーク数,D=1,E=F=0になります)
α2の計算式を次に示します。
![[図データ]](FIGURE/ZU0H029I.GIF)
- K
- ワークの処理期限の重複が200個以下のワークの処理期限の種類の数
- L
- ワークの処理期限の重複が200個以下のワークの処理期限の平均重複数
- M
- ワークの処理期限の重複が201個以上のワークの処理期限の種類の数
- N
- ワークの処理期限の重複が201個以上のワークの処理期限の平均重複数
α3の計算式を次に示します。
![[図データ]](FIGURE/ZU0H030I.GIF)
- W
- ワークの遷移状態の重複が200個以下のワークの遷移状態の種類の数
- X
- ワークの遷移状態の重複が200個以下のワークの遷移状態の平均重複数
- Y
- ワークの遷移状態の重複が201個以上のワークの遷移状態の種類の数
- Z
- ワークの遷移状態の重複が201個以上のワークの遷移状態の平均重複数
α4の計算式を次に示します。
![[図データ]](FIGURE/ZU1H001I.GIF)
- U
- そのサーバをホームサーバとする総ユーザ数
α5の計算式を次に示します。
![[図データ]](FIGURE/ZU1H002I.GIF)
- B1
- そのサーバに登録されているビジネスプロセス名称の重複が200個以下のビジネスプロセスの種類の数
- B2
- そのサーバに登録されているビジネスプロセス名称の重複が200個以下のビジネスプロセスの平均重複数
- B3
- そのサーバに登録されているビジネスプロセス名称の重複が201個以上のビジネスプロセスの種類の数
- B4
- そのサーバに登録されているビジネスプロセス名称の重複が201個以上のビジネスプロセスの平均重複数
α6の計算式を次に示します。
![[図データ]](FIGURE/ZU1H003I.GIF)
- R
- そのサーバに登録されている総ロール数
α7の計算式を次に示します。
![[図データ]](FIGURE/ZU1H004I.GIF)
- R
- そのサーバに登録されている総ロール数
α8の計算式を次に示します。
![[図データ]](FIGURE/ZU1H019I.GIF)
- K
- ドメイン間連携中の最大案件数(ドメイン間連携機能により投入された案件数を含む)
All Rights Reserved. Copyright (C) 2001, 2004, Hitachi, Ltd.